时间:2017-03-01 00:02:05
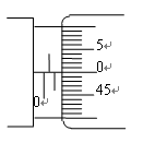
1、实验题 图中给出的是用螺旋测微器测量一金属薄板厚度时的示数,此读数应为 mm.
参考答案:6.124(6.123~6.125均给分)
本题解析:略
本题难度:一般
2、实验题 (1)用如图所示的实验装置验证机械能守恒定律。实验所用的电源为学生电源。重锤从高处由静止开始下落,重锤上拖着的纸带打出一系列的点,对纸带上的点痕进行测量,即可验证机械能守恒定律。下面列举了该实验的操作步骤:A.按照图示的装置安装器件;B.将打点计时器接到电源的“直流输出”上;C.用天平测出重锤的质量;D.先释放纸带,同时接通电源开关打出一条纸带;E.测量纸带上某些点间的距离;F.根据测量的结果计算重锤下落过程中减少的重力势能是否等于增加的动能。其中没有必要进行的步骤是: (填选项)其中操作不当的步骤是: (填选项)应改为 
(2)用伏安法测量一个定值电阻的阻值,备用器材如下:
待测电阻Rx:(阻值约为25kΩ)
电流表A1:(量程100μA,内阻2kΩ)
电流表A2:(量程500μA,内阻300Ω)
电压表V1:(量程10V,内阻100kΩ)
电压表V2:(量程50V,内阻500kΩ)
电源E:(电动势15V,允许最大电流1A)
滑动变阻器R:(最大阻值1kΩ,允许最大电流1A)
电键S,导线若干,为了尽量减小实验误差,要求测量多组数据。
①电流表应选 ,电压表应选 。
②画出实验电路图,并在每个选用的器材旁标上题目所给的字母符号。
参考答案:(1)①C
②BD
应改为:接到电源的“交流输出”上先接通电源再释放纸带
(2)① A2 V1 ② 如 图
本题解析:略
本题难度:一般
3、实验题 在验证机械能守恒定律的实验中,与纸带相连的质量为1kg的重锤自由下落,打出的纸带如图所示,相邻记数点时间间隔为0.02s,g取9.8m/s2.求:
【小题1】某同学根据纸带上的O点到B点的数据,计算出物体的动能增加量△Ek=0.47J,重力势能减小量△Ep=0.48J,经过多次实验均发现△Ek略小于△Ep,试分析原因: .
参考答案:
【小题1】0.97
【小题2】由于阻力做功,重锤的机械能略减少
本题解析:【小题1】利用匀变速直线运动的推论:vB=
=0.97m/s
【小题2】由于运动过程中,有空气阻力,以及纸带跟打点计时器之间的阻力等等,所以重锤的机械能略减少
本题难度:一般
4、实验题 有一架天平和一把卷尺,用实验方法来估测子弹从玩具枪中射出时枪对子弹做的功,写出要测量的物理量____ _,枪对子弹做功的表达式为W=____ 。
参考答案:水平枪口离地面的高度h和子弹的水平射程s; 
本题解析:用天平测子弹的质量m,用卷尺测水平枪口离地面的高度h和子弹的水平射程s。由
求子弹射出枪口的水平初速度
。由动能定理可求得子弹做的功
。
本题难度:一般
5、实验题 如右图所示,螺旋测微器的读数应为 mm.
参考答案:1.500mm
本题解析:略
本题难度:一般