时间:2017-02-28 23:36:50
1、选择题 横截面直径为D,长度为L的导线,两端电压为U.当这三个量中一个改变时,对自由电子定向运动的平均速率影响正确的说法是( )
A.电压U加倍时,自由电子定向运动的平均速率不变
B.导线长度L加倍时,自由电子定向运动的平均速率不变
C.导线横截面的直径D加倍时,自由电子定向运动的平均速率不变
D.导线横截面的直径D加倍时,自由电子定向运动的平均速率加倍
2、选择题 根据欧姆定律,下列说法中正确的是( )
A.从关系式U=IR可知,导体两端的电压U由通过它的电流I和它的电阻R共同决定
B.从关系式R=
可知,导体的电阻跟导体两端的电压成正比,跟导体中的电流成反比
C.从关系式I=
可知,导体中电流跟导体两端的电压成正比,跟导体的电阻成反比
D.从关系式R=
可知,对一个确定的导体来说,温度不变时,所加的电压跟通过导体的电流的比值是一定值
3、计算题 (15分)如图所示,已知电源电动势E=20 V,内阻r=1 Ω,当接入固定电阻R=4 Ω时,电路中标有“3 V,6 W”的灯泡L和内阻RD=0.5 Ω的小型直流电动机D都恰能正常工作.试求:
(1)电路中的电流大小;
(2)电动机的额定电压;
(3)电动机的输出功率.
4、计算题 在如图所示的电路中,电源为3个电池组成的电池组,每个电池的电动势为2V,内阻r=0.2 Ω,R1=6 Ω,R2=2 Ω,R3=3 Ω,求:
(1)当S断开时,电流表和电压表的读数;
(2)当S闭合时,电流表和电压表的读数。
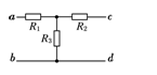
5、选择题 一个T型电路如图8所示,电路中的电阻R1=10 ?
Ω,R2=120 Ω,R3=40 Ω.另有一测试电源,电动势为100 V,内阻忽略不计.则? ( ) ?
?
A.当cd端短路时,ab之间的等效电阻是40 Ω
B.当ab端短路时,cd之间的等效电阻是40 Ω
C.当ab两端接通测试电源时,cd两端的电压为80 V
D.当cd两端接通测试电源时,ab两端的电压为80 V