时间:2017-02-28 23:20:52
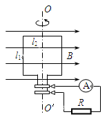
1、计算题 (9分)如图所示,一矩形线圈在匀强磁场中绕OO′轴匀速转动,磁场方向与转轴垂直,磁场的磁感应强度为B。线圈匝数为n,电阻为r,长为l1,宽为l2,转动角速度为ω。线圈两端外接阻值为R的电阻和一个理想交流电流表。求:
(1)线圈转至图示位置时的感应电动势;
(2)电流表的读数;
(3)从图示位置开始计时,感应电动势的瞬时值表达式。
参考答案:(1)nBωl1l2;(2)
;(3)e=nBωl1l2cosωt。。
本题解析:(1)图示位置的感应电动势最大,为E=2×n×B×l1×ω×
=nBωl1l2;
(2)电阻两端的电压的有效值为U=
,所以电流表的读数为I=
;
(3)从图示位置记时,感应电动势最大,则其感应电动势的瞬时值表达式为e=Ecosωt=nBωl1l2cosωt。
考点:电磁感应,交流电的有效值。
本题难度:一般
2、填空题 单相交流发电机的线圈从中性面匀速旋转180°角,所产生的感应电动势的平均值与其有效值之比为:_________。
参考答案:2
:π
本题解析:
本题难度:一般
3、选择题 电阻R1、R2与交流电源按照如图甲所示方式连接,R1=10 Ω,R2=20 Ω.合上开关S后,通过电阻R2的正弦交变电流i随时间t变化的情况如图乙所示.则 ( ).
A.通过R1的电流有效值是0.6 A
B.R1两端的电压有效值是6 V
C.通过R2的电流最大值是1.2
A
D.R2两端的电压最大值是6
V
参考答案:AB
本题解析:由i-t图可知,电流的最大值
A,所以有效值
=0.6 A.因
与
串联,则
,故A、B正确;I2m=Im=0.6
A,
V,故C、D错.
故选AB
点评:本题结合电阻的串联考查了交流的最大值和有效值关系,属于基础题目,平时要加强基础知识的训练.
本题难度:一般
4、选择题 某电容器两端所允许加的最大直流电压是250 V.它在正弦交流电路中使用时,交流电压可以是
A.250 V
B.220 V
C.352 V
D.177 V
参考答案:D
本题解析:
本题难度:困难
5、选择题 将阻值为5 Ω的电阻接到内阻不计的交流电源上,电源的电动势随时间变化的规律如图所示。下列说法正确的是( )
A.电路中交变电流的频率为0.25 Hz
B.通过电阻的电流为
A
C.电阻消耗的电功率为2.5 W
D.用交流电压表测得电阻两端的电压为5 V
参考答案:C
本题解析:由图可知:
,故A错误;
该电源电动势的有效值为
,电压表的示数为有效值,故D错误;根据欧姆定律可得:通过电阻R的电流为:
,故B错误,电阻消耗的电功率为
?C正确.
故选C.
点评:注意交流电有效值的求法,以及有效值的应用.求电功率、电表示数等均指有效值.
本题难度:一般