时间:2022-12-15 06:16:17
1、计算题 将小球从离地面5m高处、向离小球4m远的竖直墙以8m/s的初速度水平抛出,不计空气阻力。求:(g=10m/s2)
(1)小球碰墙点离地面的高度;
(2)要使小球不碰墙,小球的最大初速度。
参考答案:解:(1)小球作平抛运动
故
所以,小球碰墙点离地面的高度为
(2)设小球恰好击中墙角时小球的初速度为
,由平抛运动规律
故
所以,要使小球不碰墙,小球的最大初速度为4m/s。
本题解析:略
本题难度:一般
2、填空题 如图所示为一小球做平抛运动的闪光照片的一部分,图中背景方格的边长均为2.5厘米,那么照片的闪光频率为______Hz;小球做平抛运动的初速度的大小为______m/s.
参考答案:(1)在竖直方向上有:△h=gT2,其中△h=10cm,代入求得:T=0.1s,
因此闪光频率为:f=1T=10Hz
(2)小球水平方向做匀速直线运动,故有:
x=v0t,其中x=3L=7.5cm
所以v0=0.75m/s
故答案为:10,0.75.
本题解析:
本题难度:一般
3、选择题 用平抛竖落仪做演示实验,a小球做平抛运动的同时b小球也做自由落体运动,观察到( )
A.a小球先到达地面
B.b小球先到达地面
C.两小球同时到达地面
D.a小球初速度越大在空中运动时间越长
参考答案:C
本题解析:
本题难度:一般
4、简答题 如图,竖直固定轨道abcd段光滑,长为L=1.0m的平台de段粗糙,abc段是以O为圆心的圆弧.小球A和B紧靠一起静止于e处,B的质量是A的4倍.两小球在内力作用下突然分离,A分离后向左始终沿轨道运动,与de段的动摩擦因数μ=0.2,到b点时轨道对A的支持力等于A的重力的
| 3 5 |

参考答案:(1)B分离后做平抛运动,由平抛运动规律可知:
h=12gt2
vB=st?
代入数据得:vB=1?m/s
(2)AB分离时,由动量守恒定律得:
mAve=mBvB?
A球由e到d根据动能定理得:
-μmAgl=12mAvd2-12mAve2?
代入数据得:vd=2
本题解析:
本题难度:一般
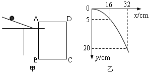
5、实验题 图甲是研究平抛运动的实验装置示意图,小球从斜面上一定高度处从静止释放,经过一段水平轨道后落下。图乙是实验后在白纸上描出的轨迹和所测数据:
? 
参考答案:(1)保证小球作平抛的初速度相同
(2)1.6
(3)0.71
本题解析:
本题难度:一般