时间:2020-08-15 23:59:03
1、选择题 如图,甲是录音机录音电路原理图,乙是研究自感现象实验电路图,丙是光电传感火灾报警器的部分电路图,丁图是电容式话筒电路原理图,下列说法正确的是(? )
A.甲图中录音机录音时,由于话筒的声电转换,线圈中变化的电流在磁头缝隙处产生变化的磁场
B.乙图电路开关断开瞬间,灯泡会突然闪亮一下,并在开关处产生电火花
C.丙图电路中,当有烟雾进入罩内时,光电三极管上就会因烟雾的散射而有光的照射,表现出电阻的变化
D.丁图电路中,根据电磁感应的原理,声波的振动会在电路中产生变化的电流
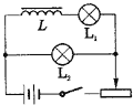
2、选择题 如图所示电路,电感线圈L的自感系数足够大,其直流电阻忽略不计,LA、LB是两个相同的灯泡,设实验过程中灯泡均没有损坏,则
A.S闭合瞬间,LA不亮,LB很亮;S断开瞬间,LA、LB立即熄灭
B.S闭合瞬间,LA很亮,LB逐渐亮;S断开瞬间,LA逐渐熄灭,LB立即熄灭
C.S闭合瞬间,LA、LB同时亮,然后LA熄灭,LB亮度不变;S断开瞬间,LA亮一下才灭,LB立即熄灭;
D.S闭合瞬间.LA、LB同时亮,然后A逐渐变暗到熄灭,B变得更亮;S断开瞬间,A亮一下才熄灭,B立即熄灭
3、选择题 如图所示电路,L是自感系数较大的线圈,在滑动变阻器的滑动片P从B端迅速滑向A端的过程中,经过AB中点C时通过线圈的电流为I1;P从A端迅速滑向B端的过程中,经过C点时通过线圈的电流为I2;P固定在C点不动,达到稳定时通过线圈的电流为I0.则( )
A.I1=I2=I0
B.I1>I0>I2
C.I1=I2>I0
D.I1<I0<I2
4、选择题 如图所示电路中,A、B是完全相同的灯泡,L是直流电阻不计的电感线圈,下列说法中正确的是
A.当开关S闭合时,A灯先亮,B灯后亮
B.当开关S闭合时,B灯先亮,A灯后亮
C.当开关S闭合时,A、B灯同时亮,以后B灯更亮,A灯熄灭
D.当开关S闭合时,A、B灯同时亮,以后亮度不变
5、选择题 如图所示,当交流电源的电压为220 V,频率为50 Hz时,三只灯泡,L1、L2、L3亮度相同。若保持交流电源的电压不变,只将其频率变为100 Hz,则?(?)
A.L1、L2、L3的亮度都比原来亮
B.只有L1的亮度比原来亮
C.只有L2的亮度比原来亮
D.只有L3的亮度比原来亮