时间:2020-08-15 23:18:50
1、选择题 如图(a)所示,两平行正对的金属板A、B间加有如图(b)所示的交变电压,一重力可忽略不计的带正电粒子被固定在两板的正中间P处。若在t0时刻释放该粒子,粒子会时而向A板运动,时而向B板运动,并最终打在A板上。则t0可能属于的时间段是 
[? ]
A.
B.
C.
D.
参考答案:B
本题解析:
本题难度:一般
2、实验题 某同学用伏安法测一节干电池的电动势E和内电阻r,所给的其它器材有:
A.电压表v:0~3~15V
B.电流表A:0~0.6~3A
C.变随器R1(20Ω,1A)
D.变阻器R2(1000Ω,0.lA)
E.电键S和导线若干
(1)实验中电流表应选用的量程为______________;电压表应选用的量程为______________;变阻器应选用______________(标明变阻器代号);
(2)根据实验要求连接实物电路图:
(3)实验测得的6组数据已在U-I图中标出,如图所示。请你根据数据点位置完成U-I图线,并由圈线求出该电池的电动势E=______________V,电阻r=______________Ω。
? 
参考答案:(1)0~0.6A,0~3V,R1(2)
(3)1.5,0.50
本题解析:
本题难度:困难
3、实验题 某兴趣小组为了测量一待测电阻Rx的阻值,准备先用多用电表粗测出它的阻值,然后再用伏安法精确地测量,实验室里准备了以下器材:
A.多用电表
B.电压表V1,量程6 V,内阻约10 kΩ
C.电压表V2,量程15 V,内阻约20 kΩ
D.电流表A1,量程0.6 A,内阻约0.2 Ω
E.电流表A2,量程3 A,内阻约0.02 Ω
F.电源:电动势E=9 V
G.滑动变阻器R1,最大阻值10 Ω,最大电流2 A
H.导线、电键若干
(1)①在用多用电表粗测电阻时,该兴趣小组首先选用“×10”欧姆挡,其阻值如图甲中指针所示,为了减小多用电表的读数误差,多用电表的选择开关应换用_____________欧姆挡;
②按正确的操作程序再一次用多用电表测量该待测电阻的阻值时,其阻值如图乙中指针所示,则Rx的阻值大约是_____________Ω。
(2)①在用伏安法测量该电阻的阻值时,要求待测电阻的电压从0开始可以连续调节,则在上述器材中应选出的器材是_____________(填器材前面的字母代号);
②在虚线框内画出用伏安法测量该电阻的阻值时的实验电路图。 
参考答案:(1)①“×1”,②9
(2)①BDFGH ②
本题解析:
本题难度:一般
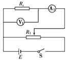
4、填空题 某同学用电流表和电压表测干电池的电动势和内阻时,连接电路的实物图如图所示.
(1)指出该同学接线中错误的和不规范的做法是______
A.滑动变阻器,不起变阻作用B.电流表接线有错
C.电压表量程选用不当D.电压表接线有错
(2)在虚线框内画出这个实验的正确电路图.
(3)实验桌上有下列三种器材,需要选择
A.新电池一节
B.旧电池一节
C.滑动变阻器(10Ω,2A)
D.滑动变阻器(500Ω,2A)
E.电压表(3V,3000Ω)
F.电压表(3V,5000Ω)
为了减小实验误差(只填序号),则干电池应选用______;滑动变阻器应选用______;电压表应选用______.
参考答案:(1)由电路图可知,滑动变阻器同时接下面两个接线柱,滑动变阻器被接成了定值电阻,不起变阻作用;电压表直接接在电源连接上,开关不能控制电压表与电源断开,电压表接线错误,故选AD;
(2)伏安法测电源电动势与内阻的实验电路图如图所示.
(3)旧干电池内阻较大,电池应选B,为方便实验操作,滑动变阻器应选C,为减小电压表分流造成的实验误差,应内阻大的电压表,因此电压表应选F.
故答案为:(1)A、D;(2)电路图如图所示;(3)B;C;F.
本题解析:
本题难度:一般
5、选择题 如图所示,质子由初速为零,经电压为U1电场加速后,又经一电压为U2的匀强电场偏转,最后打在荧光屏上,那么
[? ]
A.在加速过程中,电场力做的功为eU1
B.在偏转电场中,电场力做的功为eU2
C.增大U2可以使偏移变大
D.增大U1可以使偏移变大
参考答案:AC
本题解析:
本题难度:一般