时间:2020-08-09 23:34:39
1、选择题 三个额定功率为8W的相同阻值的电阻,按如图所示方式连接,则此电路允许消耗的最大功率是 (? )
A.10W
B.12W
C.16W
D.24W
参考答案:B
本题解析:略
本题难度:一般
2、选择题 如图(甲)所示电路,电源电动势为E,内阻不计,滑动变阻器的最大阻值为R,负载电阻为R0.当滑动变阻器的滑动端S在某位置时,R0两端电压为E/2,滑动变阻器上消耗的功率为P。若将R0与电源位置互换,接成图(乙)所示电路时,滑动触头S的位置不变,则
A.R0两端的电压将小于E/2
B.R0两端的电压将等于E/2
C.滑动变阻器上消耗的功率一定小于P
D.滑动变阻器上消耗的功率可能大于P
参考答案:D
本题解析:在题图甲中,设变阻器R滑动头以上、以下的电阻分别为R上、R下,则R0//R下=R上,有R0>R上;当接成乙图电路时,由于R0>R上,则R0两端的电压必大于E/2,故A、B错误;而滑动变阻器上消耗的功率可以大于P,故选D。
本题难度:一般
3、选择题 维修电炉时,将电阻丝的长度缩短十分之一,则修理后电炉的功率和维修前的功率之比是()
A.9∶10
B.10∶9
C.10∶11
D.11∶10
参考答案:B
本题解析:R′=
R
=
=10∶9.
本题难度:简单
4、计算题 为了测定液体的电阻率,工业上用一种称为“电导仪”的仪器,其中一个关键部件如图所示.A?B是两片面积为1 cm2的正方形铂片,间距d="1" cm,把它们浸没在待测液体中.若通过两根引线加上一定的电压U="6" V时,测出电流I=1μA,则这种液体的电阻率为多少?
参考答案:6×104 Ω·m
本题解析:由电阻公式R=ρ
,变形可得
ρ=
=6×104 Ω·m.
本题难度:简单
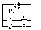
5、选择题 如图9所示,当滑动变阻器R3的滑动片向右移动时,两电压表示数变化的绝对值分别是△U1和△U2,则下列结论正确的是
A.△U1>△U2
B.电阻R1的功率先增大后减小
C.电阻R2的功率一定增大
D.电源的输出功率先增大后减小
参考答案:AC
本题解析:当滑动变阻器R3的滑动片向右移动时,电路总电阻减小,电路总电流增大,通过
的电流变化大于通过
的电流变化,所以根据
可得△U1>△U2?,A正确,向右滑动的过程中,总电流增大,所以通过
的电流的增大,所以根据公式
可得通过电阻R2的功率一定增大,C正确,因为
两端的电压在一直减小,所以根据公式
可得通过电阻R1的功率一直减小,B错误,根据公式
可得当R=r时电源的电功率最大,但是题中没有给出R和r的关系,所以D错误,
点评:关键是对公式的灵活运用
本题难度:一般