时间:2020-08-09 22:20:09
1、填空题 在做“测定金属丝的电阻”的实验中,若待测电阻丝的电阻值约为5Ω,要求测量结果尽量准确,提供以下器材供选择:
A.电池组(3V,内阻约1Ω)
B.电流表(0~3A,内阻0.0125Ω)
C.电流表(0~0.6A,内阻约0.125Ω)
D.电压表(0~3V,内阻4KΩ)
E.电压表(0~15V,内阻l?15KΩ)
F.滑动变阻器(0~20Ω,允许最大电流1A)
G.滑动变阻器(0~2000Ω,允许最大电流0.3A)
H.开关、导线若干
(1)实验时应从上述器材中选用______(填写仪器前字母代号)
(2)测电阻时,电流表、电压表、待测电阻Rx在组成图示测量电路时,电压表右侧应接______(选填“a”或“b”),测量值比真实值偏______(选填“大”或“小”).
2、实验题 (10分,其中(1)题每空格1分,(2)小题①②各2分,③每空格1分)
(1)若多用电表的电阻挡有三个倍率,分别是×1、×10、×100。用×10挡测量某电阻Rx时,操作步骤正确,发现表头指针过于靠近左端,为了较准确地进行测量,应换到_____挡。如果换挡后立即用表笔连接待测电阻进行读数,那么缺少的步骤是_________ ,若补上该步骤后测量,表盘的示数如图甲,则该电阻的阻值是______Ω。
(2)两位同学在实验室中利用如图乙所示的电路较精确的测定电阻R0(本实验中用电阻箱替代)、电源的电动势E和内电阻r,调节滑动变阻器的滑动触头P向某一方向移动时,一个同学记录的是电流表A和电压表V1的测量数据,另一同学记录的是电流表A和电压表V2的测量数据。并根据数据描绘了如图丙所示的两条U-I图线。回答下列问题:
①根据实物图在答题卷对应的方框中画出对应的电路图
②根据甲、乙两同学描绘的直线,可知??
A.甲同学是根据电压表 V1和电流表A的数据
B.甲同学是根据电压表 V2和电流表A的数据
C.乙同学是根据电压表V1和电流表A的数据
D.乙同学是根据电压表V2和电流表A的数据
③根据图(3),可以求出定值电阻R0= ?Ω,电源电动势E= V,内电阻r= Ω
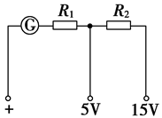
3、填空题 如图所示为一双量程电压表的示意图.已知电流表G的量程为0~100 μA,内阻为600 Ω,则图中串联的分压电阻R1=________ Ω,R2=________ Ω. 
4、简答题 某同学选用一只标有“2.5V?0.3A”的小灯泡,用电流表和电压表测量它在不同电压下的电流,从而计算出它在不同电压下的实际电阻值.实验数据画出的I-U图象如图1.
(1)从图象看出,电压越高对应的实际电阻值越______,这说明灯丝材料的电阻率随温度的升高而______.
(2)若实验室提供的器材是:电动势为3V,内阻很小的铅蓄电池;量程0-0.6A(内阻约为2Ω)的直流电流表;量程0-3V(内阻约为1kΩ)的直流电压表;最大阻值10Ω的滑动变阻器;一只电键和若干导线.请在图2方框中画出正确的实验电路图,并标出开始实验时滑动变阻器滑动触头P的位置.
5、实验题 (10′)在“描述小灯泡的伏安特性曲线”实验中,需要用伏安法测定小灯泡两端的电压和通过小灯泡的电流,除开关、导线外,还有如下器材:
A.小灯泡“6V 3W ”, B.直流电源6 ~ 8V
C.电流表(量程3A,内阻约0.2 Ω),
D.电流表(量程0.6A,内阻约1 Ω)
E.电压表(量程6 V,内阻约20 kΩ),
F.电压表(量程20V,内阻约60 kΩ)
G.滑动变阻器(0 ~ 20 Ω、2 A),
H.滑动变阻器(1 kΩ、0.5 A)
(1)实验所用到的电流表应选?,电压表应选?,滑动变阻器应选?。(填字母代号)
(2)在虚线框内画出最合理的实验原理图。
(3)图示中量程为0.6A的电流表的读数为?A。