高考物理知识点总结《气体实验定律》试题强化练习(2019年最新版)(四)

时间:2019-12-13 02:06:25

微信搜索关注"91考试网"公众号,领30元,获取事业编教师公务员等考试资料40G

1、选择题  关于材料的电阻率,下列说法中正确的是( ? )
A.导体材料的电阻率与导体的长度成正比,与导体的横截面积成反比
B.金属导体的电阻率随温度的升高而增大
C.纯金属的电阻率比合金的电阻率小
D.产生超导现象时,材料电阻为零,但材料性质没有变,电阻率不为零


参考答案:BC


本题解析:试题分析:电阻率跟导体的材料有关,是反映材料导电性能好坏的物理量,电阻率受温度影响。
A、导体材料的电阻率是反映材料导电性能好坏的物理量,与导体的长度,导体的横截面积无关;错误
B、电阻率受温度影响,金属导体的电阻率随温度的升高而增大;正确
C、纯金属的电阻率小,合金的电阻率较大,绝缘体的电阻率最大;正确
D、当温度降低到一定时某些材料的电阻率突然减小到零的现象叫做超导现象;错误
故选BC
考点:电阻定律
点评:容易题。注意电阻率与温度、材料的关系


本题难度:一般



2、简答题  
?
(1)活塞刚碰到玻璃管顶部时气体的温度;
(2)当气体温度达到1.8T1时气体的压强.


参考答案:(1) 1.2 T1?(2) 0.75P0


本题解析:(1)活塞上方压强为P0时,活塞下方压强为P0+0.5P0。活塞刚到管顶时,下方气体压强为0.5P0?(2分)
设活塞刚到管顶时温度为T2,由气态方程:
?(3分)
解得:T2=1.2 T1?(2分)
(2)活塞碰到顶部后,再升温的过程是等容过程。由查理定律得:
?(3分)
解得:P2=0.75P0?(2分)
[说明:问题(1)可分步求解。参考解答如下:
等温过程:??(3分)
等压过程:?(3分)
解得:T2=1.2 T1?(1分)]


本题难度:简单



3、计算题  一横截面积为S的气缸水平放置,固定不动,气缸壁是导热的,两个活塞A和B将气缸分隔为1、2两个气室,达到平衡时1、2两气室体积之比为3:2,如图所示,在室温不变的条件下,缓慢推动活塞A,使之向右移动一段距离d,求活塞B向右移动的距离。(不计活塞与气缸壁之间的摩擦)



参考答案:解:因气缸水平放置,又不计活塞的摩擦,故平衡时两气室内的压强必定相等,设初态时气室内压强为P0,气室1、2的体积分别为V1、V2;在活塞A向右移动d的过程中活塞B向右移动的距离为x;最后气缸内压强为p。因温度不变,分别对气室1和气室2的气体运用玻意耳定律,得
气室1:P0V1=P(V1-Sd+Sx) ①
气室2:P0V2=p(V2-Sx) ②
由①②两式解得
,得


本题解析:


本题难度:一般



4、计算题  (6分)图为一种减震垫,上面布满了圆柱状薄膜气泡,每个气泡内充满体积这V0,压强为p0的气体,当平板状物品平放在气泡上时,气泡被压缩,若气泡内气体可视为理想气体,其温度保持不变,当体积压缩到V时气泡与物品接触的面积为S,求此时每个气泡内气体对接触面外薄膜的压力。


参考答案:


本题解析:设压力为,压缩后气体压强为p.
由等温过程:

解得:


本题难度:简单



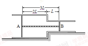
5、计算题  (9分)如图所示,一水平放置的薄壁气缸,由截面积不同的两个圆筒连接而成,质量均为m = 1.0 kg的活塞A、B用一长度为3 L = 30 cm、质量不计的轻细杆连接成整体,它们可以在筒内无摩擦地左右滑动且不漏气。活塞A、B的面积分别为SA = 200 cm2和SB = 100 cm2,气缸内A和B之间封闭有一定质量的理想气体,A的左边及B的右边都是大气,大气压强始终保持为p0 = 1.0 × 105 Pa。当气缸内气体的温度为T1 = 500 K时,活塞处于图示位置平衡。问:

(i)此时气缸内理想气体的压强多大?
(ii)当气缸内气体的温度从T1 = 500 K缓慢降至T2 = 400 K时,活塞A、B向哪边移动?移动的位移多大?


参考答案:(i)  (ii)活塞A、B一起向右移动了10 cm


本题解析:(i)设被封住的理想气体压强为p,轻细杆对A和对B的弹力为F,对活塞A有: (1分)
对活塞B,有: (1分)
得: (1分)
(ii)当气缸内气体的温度缓慢下降时,活塞处于平衡状态,缸内气体压强不变,气体等压降温,活塞A、B一起向右移动 (1分)
活塞A最多移动至两筒的连接处。设活塞A、B一起向右移动的距离为x。对理想气体:
(1分)            T1 =" 500" K
(1分)           T2 =" 400" K
SA = 200 cm2                                SB = 100 cm2
由盖?吕萨克定律:(2分)
解得:x =" 10" cm(1分)
x < 2L =" 20" cm表明活塞A未碰两筒的连接处。故活塞A、B一起向右移动了10 cm。
考点:本题考查气体压强、盖?吕萨克定律


本题难度:一般




首页 上页 3 4 5 下页 尾页 4/10/10
微信搜索关注"91考试网"公众号,领30元,获取公务员事业编教师考试资料40G
【省市县地区导航】【考试题库导航】
 ★ 高考省级导航 ★ 
全国 A安徽 B北京 C重庆 F福建 G广东 广西 甘肃 贵州 H河南 河北 湖南 湖北 黑龙江 海南 J江苏 江西 吉林 L辽宁 N内蒙古 宁夏 Q青海 S山东 山西 陕西 四川 上海 T天津 X新疆 西藏 Y云南 Z浙江
 ★ 高考信息汇总 ★ 
 ★ 高考历年真题 ★ 
 ★ 高考历年真题 ★ 
 ★ 高考题库 ★ 
 ★ 高考题库 ★ 

电脑版  |  手机版  |  返回顶部