高考物理题《匀变速直线运动》高频试题预测(2019年最新版)(三)

时间:2019-07-11 03:24:44

微信搜索关注"91考试网"公众号,领30元,获取事业编教师公务员等考试资料40G

1、填空题  质量为2kg的物体,在5个共点力作用下恰好静止。把一个2.4N的力去掉后,3s末物体运动的速度为______m/s,方向是__________,该物体在3s内的位移的大小为_______m。


参考答案:6、与去掉的2.4N力方向相反、5.4


本题解析:3.6、与去掉的2.4N力方向相反、5.4
共点力作用下静止,说明合力为零,当撤去一个时,物体合力为2.4N的等大反向。
根据牛顿第二定律:a=1.2
Vt ="a" t, Vt=3.6m/s,方向与合力方向一致,即为去掉的2.4N力的反向;
S =a t2,S =5.4m


本题难度:简单



2、简答题  以v=10m/s的速度行驶的汽车,驾驶员发现路面正前方x0=60m处有一大坑,驾驶员立即以大小恒为a=1m/s2的加速度开始刹车,试求:
(1)停下前是否会发生车祸?请说明理由.
(2)若不会发生车祸,车停下时距大坑多远?


参考答案:(1)设驾驶员从发现大坑到停止发生的位移为x,由v2?-v20=2ax得,x=0-v202×-1=50m,因x<x?0,所以不会发生车祸.
故停下前不会发生车祸,因为汽车停下过程中发生的位移小于发现时距离大坑的距离.
(2)距坑的距离△x=x?0-x=60m-50m=10m,
故若不会发生车祸,车停下时距大坑10m远.


本题解析:


本题难度:一般



3、选择题  一小物体以一定的初速度自光滑斜面的底端a点上滑,最远可达b点.c为ab的中点,已知物体由a到c用的时间为t0,则它从c经b再返回c所需的时间为(  )
A.t0
B.(

2
-1)t0
C.(2
2
+1)t0
D.2(
2
+1)t0


参考答案:设物体从a到b所用时间为t,从c到b所用时间为t1则
t1=t-t0 ①
设ab长度为L,物体运动加速度为a,
由匀变速直线运动的位移速度关系式,根据逆过程,
得:L=12at2? ②
从c到b由根据逆过程得:12L=12at21 ③
①②③联立可得?t1=(


本题解析:


本题难度:简单



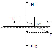
4、简答题  质量为10kg的物体在F=50N的与水平地面成θ=37°的斜向下水平作用下,沿粗糙水平面由静止开始运动,F作用2秒钟后撤去,物体继续上滑了4秒钟后,速度减为零.求:物体与地面间的动摩擦因数μ和物体的总位移x.(已知sin37°=0.6,cos37°=0.8,g取10m/s2)


参考答案:.如图所示:撤去力F之前,由牛顿第二定律得:
水平方向:Fcos37°-f=ma1?①
竖直方向:N-mg-Fsin37°=0?②
又有:f=μN?③
91考试网

2s末物体的速度v=a1t1 ④
撤去外力后,由牛顿第二定律得:
a2=μmgm=μg? ⑤
而v-a2t2=0? ⑥
由①②③④⑤⑥得:μ=433=0.12
所以a2=1.2m/s2,a1=2.4m/s2
v=a2t2=4.8m/s
根据2a1x1=v2
解得:x1=4.8m?
根据2a2x2=v2
解得:x2=9.6m
所以总位移x=9.6+4.8=14.4m
答:物体与地面间的动摩擦因数为0.12,和物体的总位移为14.4m


本题解析:


本题难度:一般



5、简答题  如图所示,皮带传动装置的两轮间距L=8m,轮半径r=0.2m,皮带呈水平方向,离地面高度H=0.8m,一物体以初速度ν0=10m/s从平台上冲上皮带,物体与皮带间动摩擦因数μ=0.6,(g=10m/s2)求:
(1)皮带静止时,物体平抛的水平位移多大?
(2)若皮带逆时针转动,轮子角速度为72rad/s,物体平抛的水平位移多大?
(3)若皮带顺时针转动,轮子角速度为72rad/s,物体平抛的水平位移多大?91考试网


参考答案:(1)求皮带静止时,物块离开皮带时的速度v1,设物体的加速度大小为a,物块前进过程中水平方向只受向后的滑动摩擦力.
由牛顿第二定律得:f=μmg=ma
解得:a=μg
物块在传送带上做匀减速直线运动,由位移速度关系式得:v12-v02=-2aL?
解得:v1=


本题解析:


本题难度:一般




首页 上页 2 3 4 下页 尾页 3/10/10
微信搜索关注"91考试网"公众号,领30元,获取公务员事业编教师考试资料40G
【省市县地区导航】【考试题库导航】
 ★ 高考省级导航 ★ 
全国 A安徽 B北京 C重庆 F福建 G广东 广西 甘肃 贵州 H河南 河北 湖南 湖北 黑龙江 海南 J江苏 江西 吉林 L辽宁 N内蒙古 宁夏 Q青海 S山东 山西 陕西 四川 上海 T天津 X新疆 西藏 Y云南 Z浙江
 ★ 高考信息汇总 ★ 
 ★ 高考历年真题 ★ 
 ★ 高考历年真题 ★ 
 ★ 高考题库 ★ 
 ★ 高考题库 ★ 

电脑版  |  手机版  |  返回顶部