时间:2019-07-03 00:22:05
1、选择题 如图所示,理想变压器的a、b端加上某一交流电压后,副线圈c、d端所接灯泡L恰好正常发光。此时滑线变阻器的滑片P于图示位置。现将滑片P下移 ( 导线电阻不计),则以下正确的是: (?)
A.灯仍能正常发光,变压器输入电流变大
B.灯仍能正常发光,变压器输入电流变小
C.灯变亮,变压器输入电流变大
D.灯变暗,变压器输入电流变小
参考答案:B
本题解析:滑片P下移,滑动变阻器电阻增大,输出端总电阻增大,输出电压不变,灯泡亮度不变,输出电流减小,输入电流由输出电流决定,所以输入电流也减小,A错;B对;CD错;
本题难度:简单
2、简答题 如图11所示,理想变压器原线圈中输入电压U1=3300V,副线圈两端电压U2为220V,输出端连有完全相同的两个灯泡L1和L2,绕过铁芯的导线所接的电压表V的示数U=2V,求:
(1)原线圈n1等于多少匝?
(2)当开关S断开时,表A2的示数I2=5A,则表A1的示数I1为多少?
(3)当开关S闭合时,表A1的示数I1′等于多少?
参考答案:(1)1650匝? (2)0.33A? (3)0.67A
本题解析:⑴设伏特表所接线圈输出端电压为U3
则
?
-------------------- 2分
⑵
?
?--------------3分
⑶S合I2′=2I2="10A?" U1I1′=U2I2′ I1′=
本题难度:简单
3、简答题 如图变压器原线圈接交流高压,降压后通过输电线给用电器供电,当电键S断开时图中两电表示数电压U和电流I变化为( )
A.均变大
B.U变大,I变小
C.均变小
D.U变小,I变大
参考答案:变压器输入电压不变,输出电压不变.当电键S断开时,副线圈回路中总电阻增大,干路电流减小,原线圈电流随着减小,即电流表示数变小.对于副线圈回路,总电压一定,电流减小,电阻R分担的电压增大,即电压表示数变大.
故选B
本题解析:
本题难度:一般
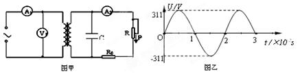
4、选择题 如图甲所示,理想变压器原、副线圈的匝数比为10:1,电阻R=22Ω,各电表均为理想电表.原线圈输入电压的变化规律如图乙所示.下列说法正确的是( )
A.该变压器为升压变压器
B.电压表的示数为22
| 2 |
参考答案:A、理想变压器原、副线圈的匝数比为10:1,所以该变压器为降压变压器,故A错误;
B、根据电压与匝数成正比可知,原线圈的电压的最大值为220
本题解析:
本题难度:简单
5、选择题 如图所示为理想变压器原线圈所接交流电压的波形.原、副线圈匝数比n1:n2=10:1,串联在原线圈电路中电流表的示数为1A,下列说法中正确的是( )
A.变压器的输出功率为200W
B.变压器副线圈的电流为0.1A
C.变压器输出端的交流电的频率为100?Hz
D.此变压器为降压变压器
参考答案:A、由图象可知,输入的电压的最大值为200
本题解析:
本题难度:简单