时间:2019-06-29 06:15:16
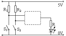
1、选择题 如图是一个电工应用某种逻辑电路制作的简单车门报警电路图。图中的两个按钮开关分别装在汽车的两道门上。只要其中任何一个开关处于开路状态,发光二极管就发光。请你根据报警装置的要求,在电路图的虚线框内应是何种电路( ? )

参考答案:B
本题解析:
本题难度:简单
2、选择题 下列物理量中可以用气敏传感器来测量的是
A.位移量
B.湿度
C.烟雾浓度
D.湿度
参考答案:C
本题解析:试题分析:气敏传感器是一种检测特定气体的传感器,它将气体种类及其与浓度有关的信息转换成电信号,根据这些电信号的强弱就可以获得与待测气体在环境中的存在情况有关的信息,从而可以进行检测、监控、报警等。
故选C
考点:传感器
点评:了解气敏传感器工作原理,是解决本题的关键。
本题难度:简单
3、选择题 如图是一个电工应用某种逻辑电路制作的简单车门报警电路图.图中的两个按钮开关分别装在汽车的两道门上.只要其中任何一个开关处于开路状态,发光二极管就发光.请你根据报警装置的要求,在电路图的虚线框内应是何种电路?( )
A.“与”门
B.“或”门
C.“非”门
D.“与非”门
参考答案:A
本题解析:
本题难度:一般
4、简答题 如图所示用电信号的方式标出了“或”门输入端A、B的输入情况,请画出输出端Z的输出电信号.
参考答案:或门电路的特点是输入端只要有一个0,输出即为0,
本题解析:
本题难度:一般
5、选择题 由非门电路构成的一简单控制电路如图所示,其中
为光敏电阻(光照时电阻变小),R为变阻器,L为小灯泡。当
受到光照时(?)
A.B点变为高电平,小灯发光
B.A点变为高电平,小灯发光
C.A点变为高电平,小灯不发光
D.减小R的阻值可提高控制灵敏度
参考答案:C
本题解析:当
受到光照时,电阻减小,A点变为高电平,因为虚框中为非门电路,则B点变为低电平,小灯不发光,C正确。
本题难度:简单