时间:2019-06-29 06:12:11
1、选择题 如图所示电路中,电压表的读数为9V,电流表的读数为0.1A。已知电压表的内阻为900Ω,电流表的内阻为20Ω,则电阻R的阻值为( )
A. 90Ω B.100Ω C.110Ω D.120Ω
2、选择题 如图所示,金属棒AB垂直跨搁在位于水平面上的两条平行光滑金属导轨上,棒与导轨接触良好,棒AB和导轨电阻均忽略不计.导轨左端接有电阻R,垂直于导轨平面的匀强磁场向下穿过平面.现以水平向右的恒定外力F拉着棒AB由静止开始向右移动,t秒末棒AB速度为v,移动的距离为l,且在t秒内速度大小一直在变化 ,则下列判断正确的是( )
A.t秒内AB棒所受的安培力方向水平向左,大小逐渐增大
B.t秒内外力F做的功等于电阻R放出的电热
C.t秒内AB棒做加速度逐渐减小的变加速运动
D.t秒末外力F做功的功率等于
| 2Fl t |

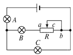
3、选择题 如图所示,A、B、C是相同的三盏灯,在滑动变阻器的滑动触头由c端向b端滑动的过程中(各灯都不被烧坏),各灯亮度的变化情况为

[? ]
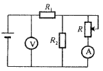
4、选择题 在如图所示的电路中,电池的电动势为E,内电阻为r,R1、R2为两个阻值固定的电阻,当可变电阻R的滑片向下移动时,安培表的示数I和伏特表的示数U将

[? ]
5、选择题 一火灾报警装置的部分电路如图甲,其中
是热敏电阻,其电阻随着温度
的升高呈现如图乙变化。当
所在处出现火情时,通过电流表的电流
和
两端电压
与出现火情前相比
A.
变大
B.
不变
C.
变大
D.
不变