时间:2019-06-29 05:36:38
1、选择题 有四盏灯,接入如图电路中,L1、L2都标有“220V,100W”字样,L3、L4都标有“220V,40W”字样,把电路接通后,下列说法正确的是:(?)
A.L1和L4一样亮
B.L2和L3一样亮
C.L3比L4亮
D.L1比L2亮
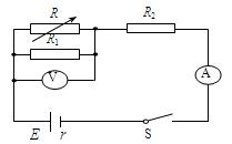
2、选择题 如图电路,闭合电键S,待电路中的电流稳定后,减小R的阻值.则
A.电流表的示数减小
B.电压表的示数减小
C.电阻R2两端的电压减小
D.路端电压增大
3、选择题 一个小电珠上标有“6V 0.3A”,它在正常发光时的电阻是( ? )
A.20Ω
B.1.8Ω
C.0.05Ω
D.6.3Ω
4、选择题 如图是某导体的伏安特性曲线,由图可知下列判断错误的是( ? )

5、实验题 有一只电流计,已知其满偏电流为Ig=500μA,内阻为Rg=100Ω,现欲改装成量程为6V的电压表,则应该________联________Ω的电阻;由于所用电阻不准,当改装表与标准表比较时,发现当标准值为3V时,改装电压表读数为3.2V,则实际所用的电阻值偏_________(填“大”或“小”)___________Ω。