时间:2019-06-29 05:33:34
1、实验题 (8分)在“描绘小灯泡的伏安特性曲线”实验中,要测量一个标有“3V、1.5W”的灯泡两端的电压和通过灯泡的电流.现有如下器材:
A.直流电源3V(内阻可不计)
B.直流电流表0~3A(内阻0.1Ω)
C.直流电流表0~600mA(内阻约0.5Ω)
D.直流电压表0~3V(内阻约3kΩ)
E.直流电压表0~15V(内阻约200kΩ)
F.滑动变阻器10Ω、1A?
G.滑动变阻器lkΩ、300mA
(1)除开关、导线外,为了完成实验需要从上述器材中选用??(用序号字母表示)
(2)在虚线框中画出所设计的实验电路图。
(3)下表中的各组数据是此学习小组在实验中测得的,根据表格中的数据在方格纸上作出该小灯泡的伏安特性曲线.

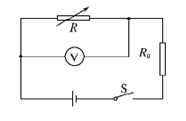
2、实验题 一种供某仪器使用的小型电池上标称的开路电压为9 V?允许通过的最大电流为50mA.为了测量这个电池的电动势和内阻,因没有电流表等,实验者利用了如图所示的电路,图中电压表的内阻很大,可不考虑其对电路的影响,R为电阻箱,阻值范围为0-9999 Ω,定值电阻R0为保护电阻.
(1)实验室备有的定值电阻有以下几种规格,你认为当做保护电阻R0最合适的是(? )
A.10Ω,5W ?B.180Ω,0.25W? C.190Ω,0.5W? D.1.2kΩ,1W
(2)按如图的电路实验:断开开关,调节电阻箱使其阻值最大;闭合开关,调节电阻箱的读数为R1,读取电压表的示数为U1;再次调节电阻箱的读数为R2,读取电压表的示数为U2;则可计算得出电池的电动势E=?,内阻r=??.
3、简答题 如图所示,R1、R2为定值电阻,R3为滑动变阻器,3个电阻采用图(甲)的方式接在电源上,已知R1=3Ω,R2=12Ω.现利用电压传感器(相当于电压表)和电流传感器(相当于电流表)研究R3上电压与电流的变化关系,移动R3上的滑动片,在计算机屏幕上得到如图(乙)所示的U-I图象(图中的实线部分).则电源的电动势E=______;R3消耗的最大功率P3m=______.
4、实验题 现有如图(见答题卷中本题插图)所示的实验器材,要完成伏安法“测定干电池的电动势和内阻”实验
(1)除已经连线的实验器材,你认为还需要哪些实验器材 (填器材编号)
(2)在答题卷相应位置本题插图所示的实物连线图上完成必需的导线连接。
5、选择题 某学生用示波器观察按正弦规律变化的电压图象时,他将衰减旋钮置于“
”挡,将扫描范围旋钮置于第一挡(10~100 Hz),把同步极性选择开关置于“+”位置,调节扫描微调旋钮,在屏幕上出现了如图甲所示的正弦曲线,后来他又进行了两步调节,使图象变成如图乙所示的曲线,这两步调节可能是( )
A.将衰减调节旋钮换挡并调节标有“↓↑”的竖直位移旋钮
B.将衰减调节旋钮换挡并调节Y增益旋钮
C.调节扫描范围旋钮和调节Y增益旋钮
D.将同步极性选择开关置于“-”位置并调节Y增益旋钮