时间:2019-06-28 05:38:35
1、填空题 在如图所示电路中,闭合电键S,当滑动变阻器的滑动触头P向下滑动时,四个理想电表的示数都发生变化,电表的示数分别用I、
、
和
表示,电表示数变化量的大小分别用
、
、
和
表示。则
,
,
,
,
,
这六个比值中
比值是____________(填不变、增大、减小),余下的其它五个中比值增大的是____________。
2、选择题 如图所示,电源E的电动势为3.2 V,电阻R的阻值为30 Ω,小灯泡L的额定电压为3.0 V,额定功率为4.5 W,当电键S接位置1时,电压表的读数为3 V,那么当电键S接到位置2时,小灯泡L的发光情况是( )
A.很暗,甚至不亮
B.正常发光
C.比正常发光略亮
D.有可能被烧坏
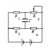
3、选择题 如右图所示的电路中,电阻R1=10Ω,R3=5Ω,R4=10Ω,电容器电容C=2μF,电源电动势E=15V,内阻不计,要使电容器不带有电,变阻器R2的阻值应调为(?)
A.8Ω
B.16Ω
C.20Ω
D.40Ω
4、选择题 如图甲所示,一矩形线圈放在随时间变化的匀强磁场内.以垂直线圈平面向里的磁场为正,磁场的变化情况如图乙所示,规定线圈中逆时针的感应电流为正,则线圈中感应电流的图象应为( )
A.
B.
C.
D.

5、填空题 如图所示的电路中,电源的电动势为12V,内阻为1Ω,两定值电阻的阻值分别为19Ω和20Ω.开关S闭合后,电路中的电流为______A,A、B间的电压为______V.