时间:2019-06-26 05:12:54
1、选择题 电源的效率
定义为外电路电阻消耗的功率与电源的总功率之比。在测电源电动势和内电阻的实验中得到的实验图线如图所示,图中U为路端电压,I为干路电流,a、b为图线上的两点,相应状态下电源的效率分别为
、
.由图可知
、
的值分别为(? )
A.
、
B.
、
C.
、
D.
、
2、选择题 下列闭合电路的说法中,错误的是 ( )
A.电源短路时,电源的内电压等于电动势
B.电源短路时,路端电压为零
C.电源断路时,路端电压为零
D.电源的外电阻增加时,路端电压也增大
3、选择题 如图所示电路,
、b、c是三个相同的灯泡,其电阻均大于电池内阻r,当闭合开关S,变阻器滑片向下移动时,下列说法中正确的是
A.通过
灯的电流减小
B.c灯两端的电压减小
C.b灯消耗的电功率减小
D.电源输出的电功率减小
4、选择题 如图所示,电源电动势为E,内电阻为r,当滑动变阻器的滑片由b向a滑动过程中,下列说法中正确的是:
A.电阻R两端的电压增大
B.电容器C两端电压减小
C.电容器C上所带的电量增加
D.路端电压增大
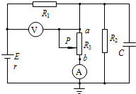
5、选择题 在如图所示的电路中,电源的负极接地,其电动势为E、内电阻为r,R1、R2为定值电阻,R3为滑动变阻器,C为电容器,图中电表为理想电流表和电压表.在滑动变阻器滑动头P自a端向b端滑动的过程中,下列说法中正确的是( )
A.电容器C所带电荷量增多
B.a点的电势降低
C.电流表示数变小
D.电压表示数变小