时间:2019-06-26 04:44:54
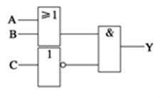
1、选择题  如图所示为逻辑电路,根据电路图完成它的真值表.其输出端从上到下排列,结果正确的是(     ) 
A.0,0,1,1
B.0,0,1,0
C.1,0,1,0
D.0,0,0,1
参考答案:B
本题解析:B所在逻辑电路为非门,输出再与A组合输入与门,所以C=A ,所以有C=A
,所以有C=A =0
=0 1=0, C=A
1=0, C=A =0
=0 0=0, C=A
0=0, C=A =1
=1 1=1, C=A
1=1, C=A =1
=1 0=0,故选C
0=0,故选C
本题难度:一般
2、选择题  许多楼道灯都具有这样的功能:天黑时,出现声音它就开启,而在白天,即使有声音它也没有反应。通过一个门电路后,进入执行电路。那么设计的门电路为                     (    )
A.“与”门电路
B.“非“门电路
C.“或”门电路
D.上述答案都有可能
参考答案:A
本题解析:电路要求只有天黑和出现声音同时满足时灯才亮,是“与”逻辑关系,应为“与”门电路,A对。
本题难度:一般
3、选择题  某仓库在门上安装了一把自动锁和一把挂锁,只有把自动锁和挂锁都打开时,人才能进出.这里的“两把锁”和“人可以进出”之间体现了某种逻辑关系,下列门电路中也具有这种逻辑关系的是
参考答案:B
本题解析::“只有把自动锁和挂锁都打开时,人才能进出.”说明“自动锁打开”和“挂锁打开”是“与”的关系.令“自动锁打开”为A、“挂锁打开”为B、“人进出”为Z,则A与B用“与门”电路.
要理解“与”“或”“非”三种基本的逻辑关系,同时要能识别各种逻辑电路,这是解题的关键.
本题难度:困难
4、选择题   “与”门、“或”门和“非”门三个基本逻辑电路组成的一个组合逻辑电路,其中A、B、C为输入端,Y为输出端,在完成下面的真值表时,输出端Y空格中从左到右依次填写都正确的是(  )
| A | 0 | 0 | 0 | 0 | 1 | 1 | 1 | 1 | 
| B | 0 | 0 | 1 | 1 | 0 | 0 | 1 | 1 | 
| C | 0 | 1 | 0 | 1 | 0 | 1 | 0 | 1 | 
| Y |  |  |  |  |  |  |  |  | 
参考答案:C
本题解析:A、B输入或门,C输入非门,两个输出端又同时输入与门,当A、B为0时,输出为0,C为0,输出为1,1和0输入与门,输出仍然为0.同理得出输出端Y为“0,1,0,1,0,1,0.故C正确,
考点:简单的逻辑电路.
本题难度:一般
5、选择题  如右图所示为一门电路的两个输入端A、B与输出端Z的电压信号图,由此可推断该门电路是

A                   B                          C                          D
参考答案:C
本题解析:与门的特点:事件的所有条件满足,事件才能发生.或门的特点:只要有一个条件满足,事件就能发生.非门的特点:输入状态和输出状态完全相反.
将A、B、C、D四个门电路注意代入,输入状态和输出状态完全相反,发现C正确,A、B、D错误.
故选C.
考点:简单的逻辑电路.
点评:解决本题的关键掌握门电路的特点,与门的特点:事件的所有条件满足,事件才能发生.或门的特点:只要有一个条件满足,事件就能发生.非门的特点:输入状态和输出状态完全相反.
本题难度:一般