时间:2019-06-23 22:39:53
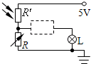
1、选择题 ?如图所示的自动控制电路中含有一逻辑电路A,L为小灯泡.光照射光敏电阻R′时,其阻值迅速减小,则在该控制电路中( )
A.A是非门,当R′受到光照时,它输入高电平输出低电平
B.A是或门,当R′受到光照时,它可以使得L发光
C.增大可变电阻R的阻值,可使R′受到光照时L更容易发光
D.可变电阻R对L是否发光没有控制作用
2、填空题 如图所示为某门电路构成的一简单控制电路,其中R’与R中一个为光敏电阻(光敏电阻在光照时电阻很小),另一个为变阻器,L为小灯泡.其工作情况是:当光敏电阻受到光照时,小灯L不亮,不受光照时,小灯L亮.请指出在电路中R’为______(填“光敏电阻”或“变阻器”).为了有较弱光照时灯就不亮,变阻器的阻值应取______(填“大些”或“小些”).
3、选择题 如图为使用汽车安全带的报警电路,S为汽车启动开关,闭合时代表汽车启动。RT代表安全带拉力传感器,驾驶员系好安全带时其电阻变大。要求只有当驾驶员启动汽车且安全带未使用时,蜂鸣器才能报警,则在图中虚线框内应接入的元件是
[? ]
A.“非”门
B.“或”门
C.“与”门
D.“与非”门
4、填空题 如图所示是逻辑电路图及其真值表,此逻辑电路为______门电路,在真值表中X处的逻辑值为______.
?
| 输入 | 输出 A B Z 0 0 0 0 1 l 1 0 X 1 1 l | |

5、选择题 请根据下面所列的真值表,从四幅图中选出与之相对应的一个门电路( )
| 输入 | 输出 A B Y 0 0 1 0 1 1 1 0 1 1 1 0 | |



