时间:2019-03-16 02:47:12
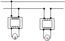
1、选择题 如图所示为两个互感器,在图中圆圈内a、b表示电表,已知电压比为100,电流比为10,电压表的示数为220V,电流表的示数为10A,则( )
A.a为电流表,b为电压表
B.a为电压表,b为电流表
C.输送电功率是2200W
D.线路输送电功率是2.2×106W
2、选择题 为了使电炉消耗的功率减半,应( ? )
A.使电流减半
B.使电压减半
C.使电压和电炉的电阻各减半
D.使电炉的电阻加倍
3、填空题 某同学研究灯泡消耗的电功率与电源的输出功率的关系,电路如图甲所示.已知电阻R=10Ω.通过灯的电流与灯两端电压关系如图乙所示.则当P灯与电源的输出功率P出之比为1:4时,灯上电压UL与电阻R上电压UR之比为?:电路两端的电压为?V或?V.
4、选择题 把标有“220V,100W”的A灯和“220V,200W”的B灯串联起来,接入220V的电路中,不计导线电阻,则下列判断中正确的是( )
A.两灯的电阻之比RA:RB=2:1
B.两灯的实际电压之比UA:UB=2:1
C.两灯实际消耗的功率之比PA:PB=1:2
D.在相同时间内,两灯实际发热之比QA:QB=1:2
5、选择题 汽车电动机启动时车灯会瞬时变暗.如图所示,在打开车灯的情况下,电动机未启动时电流表读数为10A,电动机启动时电流表读数为56A,若电源电动势为12.0V,电源内阻为0.05Ω,电流表内阻不计,不考虑电流变化对车灯电阻的影响.则因电动机启动,车灯的电功率减少( )
A.41.4?W
B.49.5?W
C.70.5?W
D.73.6?W