时间:2019-03-15 17:04:26
1、实验题 在“描绘标有‘9V,5W’小灯泡伏安特性曲线”的实验中,要求测量从0V到9.0V的电压下通过小灯泡的电流,实验室提供了下列器材
A.电流表A1(量程100mA,内阻约1Ω) B.电流表A2(量程0.6A,内阻约0.3Ω)
C.电压表V1(量程3.0V,内阻约3kΩ) D.电压表V2(量程15.0V,内阻约10kΩ)
E.滑动变阻器R1(最大阻值为50Ω) F.滑动变阻器R2(最大阻值为500Ω)
G.电源E(电动势15V,内阻忽略) H.电键、导线若干
【小题1】为了提高测量准确度和有效性,应选择的器材为(只需填写器材前面的字母即可)
电流表 ;电压表 ;滑动变阻器 。
【小题2】下列给出的测量电路中,最合理的是 。
【小题3】某同学在测量数据前已连接好的部分电路如图,其中两个不当之处是:
I.
II.
参考答案:
【小题1】
【小题2】
【小题3】
本题解析:略
本题难度:一般
2、选择题 如图所示为两个独立电路A和B的路端电压与其总电流I的关系图线,则下列说法错误的是( )
A.路端电压都为U1时,它们的外电阻相等
B.电流都是I1时,两电源内电压相等
C.电路A的电动势大于电路B的电动势
D.A中电源的内阻大于B中电源的内阻
参考答案:B
本题解析:由图可知:路端电压都为U1时,外电阻的电流相等,都为I1,根据电阻
,它们的外电阻相等,故A正确.由闭合电路欧姆定律U=E-Ir可知,图象的纵轴截距表示电动势,斜率的绝对值表示电源的内阻大小,A图线的纵轴截距大于B图线的纵轴截距,所以A的电动势大于B的电动势,即EA>EB.A图线的斜率绝对值大于B图线斜率的绝对值,所以A的内阻大于B的内阻,即rA>rB.当电流都是I1时,两电路的路端电压相等,据闭合电路的欧姆可知:U内=E-U,所以A电路的内电压比B电路的内电压大,故B错误,CD正确.此题选错误的,故选:B.
考点:U-I图线;闭合电路欧姆定律。
本题难度:一般
3、实验题 测量一只量程已知的电压表内阻,器材如下:
A. 待测电压表
(量程3V,内阻约3KΩ)
B.电流表
(量程0.6A,内阻0.01Ω)
C. 定值电阻R(阻值2KΩ,额定电流0.5A)
D.电源E(电动势约3V,内阻不计)
E.开关两只,S1、S2,导线若干
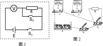
(1)某同学设计了如图 (甲)所示的测量电路,在实验操作时,发现不可行。你认为主要问题是 。
(2)请从上述所给器材中选用所需器材,帮助该同学设计一个能尽量减小实验误差的测量电路,并在虚线框内画出原理图,要求标明给定器材的符号。用需要测量的物理量和电路中器材已给的物理量,写出电压表内阻的计算式Rv= 。并从图中所给的器材中选出你所需要的器材,连接成实验电路图。

参考答案:(1)不可行理由:电流表量程太大,而电路中电流太小,电流表没有明显读数。(2分)
(2) 电路图(3分) 连线(3分)

本题解析:
考点:伏安法测电阻.
分析:(1)由图甲可知,电压表与电流表串连接入电路,根据电源电动势及电表内阻,
由闭合电路的欧姆定律求出电路电流,然后根据根据该电流分析答题.
(2)为了减小实验误差,可以把电压表与定值电阻串连接入电路,
用开关控制定值电阻是否接入电路,然后由串联电路特点及欧姆定律求出电压表内阻.
解:(1)图甲所示电路中,电路最大电流I=
=
≈0.001A,电路电流太小,电流表量程是0~0.6A,电流表量程太大,电流表指针偏转不明显,电流表没有明显读数,因此图甲所示电路不可行.
(2)电压表与定值电阻串联,开关S2与定值电阻并联,实验电路图如图1所示;
根据实验电路图连接实物电路图,实物电路图如图2所示;
闭合开关S1、S2读出电压表示数U1,电源电动势E=U1,
然后断开开关S2,读出电压表示数U2,定值电阻两端电压:
UR=E-U2=U1-U2,此时电路电流I=
=
,
电压表内阻RV=
=
=
;
故答案为:(1)电流表量程太大,而电路中电流太小,电流表没有明显读数.
(2)实验电路图如图1所示,实物电路图如图2所示;
.
本题难度:一般
4、实验题 为了测量一个阻值约为100Ω的电阻,备有下列器材
A.干电池(电动势6V)
B.滑动变阻器(0—10Ω)
C.电压表(内阻约为5KΩ)
D.电流表(内阻约为5Ω)
E.电建、导线
①请用实线表示导线,将图中选定的器材连接成实验电路;
②若用多用电表来测量该电阻,选用倍率“×1”的档位,发现指针偏转角较小,应 ,再
后,重新测量。
参考答案:(3) ①(3分)(滑动变阻器接为分压式)
②(3分)换成”X10”的档位; 把红黑表笔直接短接,再电阻调零;
本题解析:①由于滑动变阻器总阻值小于待测电阻,滑动变阻器用分压式接法才可以调节电路中的电压;由于
,电流表用外接法,即
②选用倍率“×1”的档位,发现指针偏转角较小,说明倍率选小了,应该悬选用较大倍率的“×10”的档位,欧姆表每次改变倍率都要重新进行欧姆调零。
考点:本题考查欧姆表的使用。
本题难度:一般
5、选择题 用如图所示的电路来测量电池的电动势和内电阻,根据测得的数据作出了如图所示的U-I图线,由图可知( )
A.电池电动势的测量值为1.40 V
B.电池内阻的测量值为3.50 Ω
C.外电路发生短路时的电流为0.40 A
D.电压表的示数为1.20 V时,电流表的示数I′="0.20" A
参考答案:AD
本题解析:由图线可知,电池的电动势为1.40V,斜率为电池的内阻为1Ω,B错误;短路电流
,C错误;电压表的示数为1.20 V时,U内为0,20V,则电路中的电流为0.20A,D正确.
考点:本题考查测量电源的电动势和内阻.
本题难度:一般