时间:2018-10-13 00:28:52
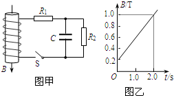
1、简答题 在如图甲所示的电路中,螺线管匝数n=1500匝,横截面积S=20cm2.螺线管导线电阻r=1.0Ω,R1=4.0Ω,R2=5.0Ω,C=30μF.在一段时间内,穿过螺线管的磁场的磁感应强度B按如图乙所示的规律变化.求:
(1)求螺线管中产生的感应电动势?
(2)闭合S,电路中的电流稳定后,求此时全电路电流的方向(顺时针还是逆时针)?
(3)闭合S,电路中的电流稳定后,电阻R1的电功率?
(4)闭合S,电路中的电流稳定后,求电容器的电量?
参考答案:(1)根据法拉第电磁感应定律:E=n△Φ△t=n?S△B△t
? 代入数据解得:E=1500×2×10-3×1.0-0.22.0=1.2V.
(2、3)根据全电路欧姆定律I=ER1+R?2+r=0.12(A)
? 根据P=I2R1求得?P=5.76×10-2W
根据楞次定律知,电流方向为逆时针.
(4)S断开后,电容器两端的电压U=IR2=0.6V
? 经R2的电量?Q=CU=1.8×10-5C
答:(1)螺线管中产生的感应电动势为1.2V.
(2、3)全电路电流的方向为逆时针,电阻R1的电功率为=5.76×10-2W.
(4)电容器的电量为1.8×10-5C.
本题解析:
本题难度:一般
2、简答题 在空间的部分区域中有一水平方向的匀强磁场,磁场的边界如图中的虚线所示.有一矩形线框abcd可以绕竖直的转动轴OO′匀角速转动,OO′恰好与磁场边界重合.在初始时刻,线框平面与磁场方向平行.已知磁场的磁感强度为B,线框ab边的长度为l,bc边的长度为2l,整个线框的电阻为R,线框转动的角速度为ω,试求:
(1)线框位于图示位置时,线框中的感应电动势为多大?
(2)此时,线框ad边流过的感应电流为多大?
参考答案:(1)根据法拉第电磁感应定律,在图示位置,线框中的感应电动势为bc边切割磁感线产生的电动势,即E=BLv
由题可知,bc边的长度L=2l,bc边的速度v=lω,
因此,得? E=2Bl2ω
(2)根据闭合电路的欧姆定律,此时,线框中的瞬时感应电流为电路的总电流,即?I=ER=2Bl2ωR
答:(1)线框位于图示位置时,线框中的感应电动势为E=2Bl2ω;
(2)此时,线框ad边流过的感应电流为2Bl2ωR.
本题解析:
本题难度:一般
3、选择题 如图是将滑动变阻器作分压器用的电路,A,B为分压器的输出端,若把变阻器的滑动片P移到变阻器正中央,下列判断正确的是( )
A.当AB端不接负载时输出电压UAB=UCD/2
B.当AB端接上负载电阻R时,电压UAB<UCD/2
C.当AB端接上负载电阻越大,UAB越接近UCD/2
D.当AB端接上负载电阻越小,UAB越接近UCD/2
参考答案:
A、滑动片P移到变阻器正中央,当AB端不接负载时输出电压UAB=12UCD.故A正确.
B、当AB端接上负载电阻R时,变阻器PD间电阻与负载并联的电阻小于变阻器PC间电阻,根据串联电路分压特点可知,电压UAB<12UCD.故B正确.
C、D当AB端接上负载电阻越大,变阻器PD间电阻与负载并联的电阻越大,越接近变阻器PC间电阻,则UAB越接近12UCD.故D错误,C正确.
故选ABC
本题解析:
本题难度:一般
4、选择题 如图,电源内阻不能忽略,电流表和电压表均为理想电表,R1=R2<R3<R4,下列说法中正确的是:( )
A.若R2短路,电流表示数变小,电压表示数变大
B.若R2断路,电流表示数变大,电压表示数为零
C.若R1断路,电流表示数变小,电压表示数变小
D.若R4断路,电流表示数变小,电压表示数变大
参考答案:AB
本题解析:先分析电路,R4与R3与R1R2并联,电流表测通过R3的电流,电压表测R1两端电压。若R2短路,整个电路电阻减小,电流增大,所以端电压减小,通过R3R4电流减小,所以通过R1电流增大,R1电阻不变,所以两端电压增大。所以A正确。若R2断路,电压表无电流通过,所以为0,整个电路电阻增大,电流减小,端电压增大,通过R3电流增大,所以B正确。若R1断路电压表测R3两端电压,即端电压,整个电路电阻增大,电流减小,端电压增大,通过R3电流增大,电压增大,所以C错误。若R4断路,整个电路电阻增大,电流减小,端电压增大,通过R3电流增大,R1电阻不变,所以电压增大。所以D错误。
本题难度:一般
5、简答题 如图所示,电源的电动势E=10V,内电阻r=1Ω,电容器的电容C=40μF,定值电阻R1=R2=4Ω,R3=5Ω.当接通开关S,待电路稳定后,试求:
(1)理想电压表V的示数;
(2)电容器所带的电荷量.
参考答案:
(1)电路稳定后,电容器和电压表所在支路可认为是断路,可得R2上无电流通过,R2两端电势相等,其等效电路如图所示.根据闭合电路欧姆定律,得电路中的电流 I=ER1+R3+r=104+5+1A=1A
电压表的读数?U=IR3=1×5V=5V
(2)电容器两端电压为UC=IR1=1×4V=4V
电容器的带电量Q=CU=40×10-6×4C=1.6×10-4C
答:
(1)理想电压表V的示数为5v;
(2)电容器所带的电荷量为1.6×10-4C.
本题解析:
本题难度:一般