时间:2018-10-02 05:08:30
1、选择题 如图,倾角为θ,间距为L的光滑导轨上水平放置一条长也是L的直导线,若电源电动势为E,电源内阻为r,直导线电阻为R,其余部分电阻不计,磁感应强度大小为B,方向垂直斜面向上,若导线静止不动,则导线的质量为( )
A.
| BLE gsinθ(R+r) |
| BLE gcosθ(R+r) |
| BLE gtanθ(R+r) |
| BLE gcotθ(R+r) |

2、计算题 检测一个标称值为5Ω的滑动变阻器。可供使用的器材如下:
A.待测滑动变阻器
,全电阻约5Ω(电阻丝绕制紧密,匝数清晰可数)
B.电流表
,量程0.6A,内阻约0.6Ω
C.电流表
,量程3A,内阻约0.12Ω
D.电压表
,量程15V,内阻约15KΩ E.电压表
,量程3V,内阻约3KΩ
F.滑动变阻器R,全电阻约20Ω? G.直流电源E,电动势3V,内阻不计
H.游标卡尺? I.毫米刻度尺? J.电键S导线若干
(1)用伏安法测定
的全电阻值,所选电流表___________(填"
"或"
"),所选电压表为_________(填"
"或"
")。
(2)画出测量电路的原理图,并根据所画原理图将下图中实物连接成测量电路。
(3)为了进一步测量待测量滑动变阻器电阻丝的电阻率,需要测量电阻丝的直径和总长度,在不破坏变阻器的前提下,请设计一个实验方案,写出所需器材及操作步骤,并给出直径和总长度的表达式。

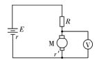
3、计算题 如图所示,电源电动势为50 V,电源内阻r为1.0Ω,定值电阻R为14Ω,M为直流电动机,电动机电阻r0为2.0Ω.电动机正常运转时,电压表的读数为35V.求在100s的时间内电源做的功和电动机上转化为机械能的部分各是多少?正常工作时电动机的效率是多少?
4、选择题 如图所示的电路中,由于电路出现故障,灯L1变暗,灯L2变亮,故障原因是( ) 
A.R1断路
B.R4短路
C.R3断路
D.R2短路
5、选择题 如图所示是一光敏电阻自动计数器的一部分电路示意图,其中R1为光敏电阻,电流表为值班室的显示器,a、b之间接信号处理系统.当照射到光敏电阻R1处的光消失时,显示器的电流I及ab端的电压u的变化情况是( )
A.I变大,u变大
B.I变小,u变小
C.I变小,u变大
D.I变大,u变小