时间:2018-10-02 04:24:34
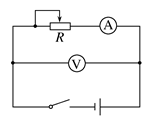
1、实验题 (8分)在“用电流表和电压表测定电池的电动势和内电阻”的实验中
(1)(2分)备有如下器材:
A.干电池1节
B.滑动变阻器(0~20
)
C.滑动变阻器(0~1k
)
D.电压表(0~3V)
E.电流表(0~0.6A)
F.电流表(0~3A)
G.开关、导线若干
其中滑动变阻器应选_________,电流表应选_______.(只填器材前的序号)
(2)(2分)为了最大限度的减小误差,请在虚线框中画出该实验最合理的电路图.
(3)(2分)某同学根据实验数据画出的U-I图象如下图所示,由图象可得电池的内电阻为________
.
参考答案:(1) B;E;(2) 电路图;(3) 1。
本题解析:(1)滑动变阻器选择最大阻值较小的B,以方便调节;电流表选择量程小的E,因为电压较低,电路中的电流不会太大;(2)电路图如图所示;(3)电池的电动势为1.5V,故其内阻 r=
=1Ω。
考点:用电流表和电压表测定电池的电动势和内电阻的实验。
本题难度:一般
2、实验题 (10分)小明设计了如图甲所示的电路,同时测电阻R0的阻值、电源的电动势E及内阻r。

(1)用笔画线代替导线按图甲电路图将图乙实验连接图补充完整;
(2)闭合电键S,移动滑动触头P,用V1、V2和A测得并记录多组数据。根据数据描出如图丙所示的M、N两条U-I直线,则直线N是根据电压表_____________(填“V1”或“V2”)和电流表A的数据画得的;
(3)根据图像可以求得电阻R0的测量阻值为___________
,电源电动势E的测量值为 _____V,内电阻
的测量值为______________
;
(4)要使实验中测量定值电阻R0的误差尽可能小,对电流表A的内阻大小的要求是_________________(选填字母代号)。
A.尽可能选大一点 B.尽可能选小一点 C.无要求
参考答案:(1)实物电路图如图所示 (2)V1 (3)2 1.5 1 (4)C
本题解析:(1)根据图甲所示连接实物电路图,如图所示:
(2)由图甲所示电路图可知,电压表V1测路端电压,它的示数随电流的增大而减小,电压表V2测定值电阻两端电压,它的示数随电流的增大而增大,由图丙所示图像可知,直线N的电压随电流的增大而减小,直线N是根据电压表 V1和电流表A的数据画得的。
(3)图线M是定值电阻电压电流关系图像,直线N是电源电动势电压与电流关系图像,由图像M可知,定值电阻阻值R0=
=
="2.0" Ω;图像N是电源的U
本题难度:一般
3、实验题 某同学利用一段长电阻丝测定一节干电池电动势和内阻.接好如下图所示的实验装置后,将导线的接头O分别连接上电阻丝的a、b、c、d四位置并闭合电路测量.
(1)实验中选择从电阻丝的左端a开始而不是从电阻丝的最右端开始的理由是:
;
(2)实验中得到两电表读数如下:
| 接线柱 | a | b | c | d |
| 电压/V | 1.50 | 1.50 | 1.25 | 1.20 |
| 电流/A | 0.00 | 0.00 | 0.25 | 0.30 |
参考答案:(1)防止短路,保护电源 (2分)
(2)bc间 (2分)
本题解析:(1)从右端开始则电路短路,所以从左端开始,起到保护电路作用
(2)ab两点电流为零,说明在ab和bc之间断路,但是由于如果ab之间断路,在接入b点后,就该有电流,故断路只能在bc之间
根据闭合回路欧姆定律可得:
,解得
(3)从c点往右,电阻越来越小,电压表示数越来越大,所以c点的电压表示数最大,故不可能出现1.30V,电流表的示数最小,从0.25开始增加,故选B
考点:考查了测定一节干电池电动势和内阻实验
点评:关键是知道实验原理,本题的难点在于判断电路的故障
本题难度:一般
4、实验题 如图所示:


①金属丝直径的测量值为d =________mm. (3分)
②用多用电表粗测某一电阻.将选择开关调到欧姆挡“×10”档位,测量时发现指针向右偏转角度太大,这时他应该:
a.将选择开关换成欧姆挡的“_____”档位(选填“×100”或“×l”)。
b.调零后再次测量电阻丝的阻值,其表盘及指针所指位置如右下图所示,则此段金属丝的电阻约为_____Ω。
参考答案:3.864mm ②×1 12
本题解析:①螺旋测微器读数为
②指针向右偏转角度太大,说明电阻过小,需要换用抵挡测量,故选×1
电阻为
考点:考查了螺旋测微器读数,欧姆表的使用
本题难度:一般
5、实验题 用伏安法测定一节干电池的电动势和内阻,有如图所示的甲、乙两个电路图,实验时应选电路 ,某同学根据实验数据画出U—I图像如图丙所示,则测得的电池的电动势为 伏,内电阻为 欧姆。

参考答案: 甲 、 1.5 、 0.5 。
本题解析:略
本题难度:一般