时间:2018-10-02 04:10:38
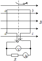
1、简答题 如图所示是一个交流发电机的示意图,线框abcd处于匀强磁场中,已知ab=bc=10cm,匀强磁场的磁感应强度B=1T,线圈的匝数N=100,线圈的总电阻r=5Ω,外电路负载电阻R=5Ω,线圈ω=20πrad/s,电表是理想电表,求:
(1)电压表的示数?
(2)从图示位置开始转90度的这段时间通过R的电量?
(3)线圈匀速转动一周外力做多少功?
2、选择题
一单相交流发电机的输出电压和时间的关系图象如图所示,则下列说法中正确的是( )


3、选择题 一台理想变压器的原、副线圈匝数比为4:1,若原线圈加上311V的直流电,则用交变电压表测得副线圈两端的电压是( )
A.250V
B.220V
C.0V
D.200V
4、选择题 一个按正弦规律变化的交变电流的i-t图象如图所示.根据图象可以断定( )
A.交变电流的频率f=0.2Hz
B.交变电流的有效值I=14.1A
C.交变电流瞬时值表达式i=20sin0.02t(A)
D.在t=
| T 8 |

5、选择题 如图所示中的各电流中是交流电的是( )
A.
B.
C.
D.