时间:2018-10-01 01:11:22
1、选择题 一个电热器接在220V交流电路上,发热功率为800W,如果把它接在直流电路上,使其功率也是800W,则该直流电路的电压应是
[? ]
A. 220V
B. 220
V?
C. 110
V
D. 380V
参考答案:A
本题解析:
本题难度:简单
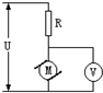
2、简答题 如图所示,电动机M的内阻是0.6Ω,R=10Ω,直流电压U=160V,电压表示数?110V,求:
(1)通过电动机的电流多大?
(2)电动机消耗的电功率为多少?
(3)电动机工作1h所产生的热量为多少?
参考答案:(1)电动机跟电阻串联,所以电流相等
电阻R两端的电压为UR=U-UV=160-110=50V
电动机的电流为I=URR=5010A=5A
(2)电动机消耗的电功率为:
P=U电I=110×5=550W
(3)电动机工作1h所产生的热量为:
Q=I2Rt=52×0.6×3600=5.4×104J
答(1)通过电动机的电流为5A.
(2)电动机消耗的电功率为550W.
(3)电动机工作1h所产生的热量为5.4×104J.
本题解析:
本题难度:一般
3、选择题 如图所示,电源电动势大小为E,内阻大小为r,闭合开关S,当滑动变阻器的滑片P向左的过程中( )
A.电流表读数变小,电压表读数不变
B.小电珠L变亮
C.处于电容器C两板间某点的一个负点电荷所具有的电势能变小
D.电源的总功率变大
参考答案:C
本题解析:
本题难度:一般
4、选择题 一个用半导体材料制成的电阻器D,其电流I随它两端电压U变化的伏安特性曲线如图甲所示。现将它与两个标准电阻R1、R2组成如图乙所示的电路,当开关S接通位置1时,三个用电器消耗的电功率均为P。将开关S切换到位置2后,电阻器D和电阻R1、R2消耗的电功率分别为PD、P1、P2,下列判断正确的是
[? ]
A.P1>P
B.P1>P2
C.PD+P1+P2<3P
D.PD+P1+P2>3P
参考答案:C
本题解析:
本题难度:一般
5、选择题 如图所示,将四只“110V、40W”白炽灯泡接入220V电路,要求灯泡正常发光.现有图中甲、乙两种连接方式,其中最合理的电路是( )
A.甲图
B.乙图
C.两图都可以
D.两图都不好
参考答案:A
本题解析:
本题难度:简单