时间:2018-10-01 01:02:30
1、填空题 当磁场的方向和导体中的电流方向______时,通电导体所受到的安培力最大.
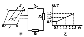
2、填空题 (18分)(1)如图所示,在匀强磁场中,与磁感应强度B成30°角放置一矩形线圈,共100匝,线圈长lab=10cm、宽lbc=8cm,线圈电阻r=1.0Ω,与它相连的电路中,电阻R1=4.0Ω,R2=5.0Ω,磁感应强度变化如图乙所示,开关闭合后t=1.5s时R2中电流的大小为_______A,此时左侧边ab所受的安培力大小_______N。
(2)一个质量为
=0.001kg、带电量为
=
C的带正电小球和一个质量也为
不带电的小球相距
=0.2m,放在绝缘光滑水平面上,当加上如图的
=
N/C的水平向左的匀强电场和
=0.5T的水平向外的匀强磁场后,带电小球开始运动,与不带电小球相碰后粘在一起,则两球碰后的速度为________m/s,两球碰后到两球离开水平面,还要前进_________m。
(3)在“用单摆测定重力加速度”的实验中,测得单摆摆角小于10°时,完成n次全振动时间为t,用毫米刻度尺测得摆线长为
,用螺旋测微器测得摆球直径为d.
①测得重力加速度的表达式为g=_________.
②实验时某同学测得的g值偏大,其原因可能是_________.
A.实验室的海拔太高
B.摆球太重
C.测出n次全振动时间为t,误作为(n+1)次全振动时间进行计算
D.用摆线长与摆球直径之和作为摆长来计算
③用的摆球密度不均匀,无法确定重心位置.他第一次量得悬线长为
(不计半径),测得周期为T1;第二次量得悬线长为
,测得周期为T2.根据上述数据,g表达式为___________
3、选择题 如图所示的通电导线在磁场中受力图正确的是( )
A.
B.
C.
D.
4、选择题 电流为l的直导线处于磁感应强度为B的匀强磁场中,所受磁场力为F。关于电流I、磁感应强度B和磁场力F三者之间的方向关系,下列图示中正确的是
5、选择题 关于电荷所受电场力和洛伦兹力,正确的说法是( )
A.电荷在磁场中一定受洛伦兹力作用
B.电荷在电场中不一定受电场力作用
C.正电荷所受电场力方向一定与该处电场方向一致
D.电荷所受的洛伦兹力不一定与磁场方向垂直