时间:2018-10-01 00:52:56
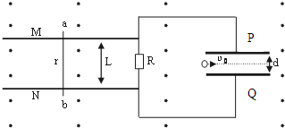
1、简答题 如图所示,M、N为纸面内两平行光滑导轨,间距为L.轻质金属杆a、b可在导轨上左右无摩擦滑动,杆与导轨接触良好,导轨右端与定值电阻连接.P、Q为平行板器件,两板间距为d,上下两板分别与定值电阻两端相接.两板正中左端边缘有一粒子源始终都有速度为v0的带正电粒子沿平行于极板的方向进入两板之间.整个装置处于垂直于纸面向外的匀强磁场中.已知轻杆和定值电阻的阻值分别为r和R,其余电阻不计,带电粒子的重力不计,为使粒子沿原入射方向从板间右端射出,则轻杆应沿什么方向运动?速度多大?
2、简答题 
(1)圆环下落速度为v时的电功率;
(2)圆环下落的最终速度;
(3)当下落高度为h时,速度达最大,求从开始下落到此时圆环消耗的电能
3、填空题 作用在导电液体上的安培力能起到推动液体流动的作用,这样的装置称为电磁泵,它在医学技术上有多种应用,血液含有离子,在人工心肺机里的电磁泵就可作为输送血液的动力,某电磁泵及尺寸如图所示,矩形截面的水平管道上下表面是导体,它与磁感强度为B的匀强磁场垂直,并有长为l的部分在磁场中,当管内充满血液并通以横穿管子的电流时血液便能向前流动,为使血液在管内不流动时能产生向前压强P,电流强度的大小应调节至___________________。由于血液的特殊性,在电流方向上单位截面承受的电流强度不能超过I",若其他条件不变,匀强磁场的宽度l至少为_______________。 
4、选择题 如图所示,在倾角为α的光滑斜面上,垂直纸面放置一根长为L,质量为m的直导体棒。在导体棒中的电流I垂直纸面向里时,欲使导体棒静止在斜面上,下列外加匀强磁场的磁感应强度B的大小和方向正确是

[? ]
,方向垂直斜面向上
,方向垂直斜面向上
,方向垂直斜面向下
,方向垂直斜面向下 5、选择题 一根通电直导线在某个空间没有受到安培力的作用,那么( )
A.这个空间一定没有磁场
B.这个空间可能有方向与电流方向平行的磁场
C.这个空间可能有方向与电流方向垂直的磁场
D.以上三种说法都不对