时间:2018-03-18 09:44:22
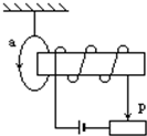
1、填空题 如图所示,一闭合线圈a悬吊在一个通电长螺线管的左侧,如果要使线圈中产生图示方向的感应电流,滑动变阻器的滑片P应向______滑动.要使线圈a保持不动,应给线圈施加一水平向______的外力.
参考答案:由线圈的感应电流的方向,顺时针(从而右向左看),且由右手螺旋定则可知,穿过线圈的磁场方向从右向左,
根据楞次定律可得,穿过线圈的磁通量在增加,即电流在增大,因此滑片向左移动;
由楞次定律的相对运动可得,为阻碍磁通量的变化,则线圈远离磁场,为了确保平衡,则施加一水平向右的外力.
故答案为:左;右.
本题解析:
本题难度:一般
2、填空题 如图,金属棒ab置于水平放置的U形光滑导轨上,在ef右侧存在有界匀强磁场B,磁场方向垂直导轨平面向下。在ef左侧无磁场区域cdef内有一半径很小的金属圆环L,圆环与导轨在同一平面内,当金属棒ab在水平恒力F作用下从磁场左边界ef处由静止开始向右运动后,圆环L有____(填:收缩,扩张)趋势,圆环内产生的感应电流___(填:变大,变小,不变)。
参考答案:收缩,变小
本题解析:
本题难度:一般
3、选择题 如图所示,在一均匀磁场中有一U形导线框abcd,线框处于水平面内,磁场与线框平面垂直,R为一电阻,ef为垂直于ab的一根导体杆,它可在ab、cd上无摩擦地滑动。杆ef及线框中导线的电阻都可不计。开始时,给ef一个向右的初速度,则
[? ]
A.ef将减速向右运动,但不是匀减速
B.ef将匀减速向右运动,最后停止
C.ef将匀速向右运动
D.ef将往返运动
参考答案:A
本题解析:
本题难度:简单
4、选择题 如图所示,电源、灯泡与螺线管组成了一个闭合电路,待电路稳定后,小灯泡有一定的亮度。现将一与螺线管等长的软铁棒沿管的轴线迅速插入螺线管内,则在插入过程中小灯泡的亮度将

[? ]
参考答案:B
本题解析:
本题难度:一般
5、选择题 水平面上的光滑平行导轨MN、PQ上放着光滑导体棒ab、cd,两棒用细线系住,开始时匀强磁场的方向如图甲所示,而磁感应强度B随时间t的变化如图乙所示,不计ab、cd间电流的相互作用,则细线中张力
[? ]
A.由0到t0时间内细线中的张力逐渐增大
B.由0到t0时间内两杆靠近,细线中的张力消失
C.由0到t0时间内细线中张力不变
D.由t0到t时间内两杆靠近,细线中的张力消失
参考答案:D
本题解析:
本题难度:一般