时间:2017-11-10 08:55:46
1、选择题 右面是某最简单逻辑电路的真值表,根据这个真值表可以判断此逻辑电路使用的门电路和表中的“X”的取值分别为( )
| 输入 | 输出 A B A 0 0 0 0 1 X 1 0 1 1 1 1 | |
2、填空题 下图为一逻辑电路,根据电路图完成它的真值表.
| 输入 | 输出 A B C 1 0 1 1 | |

3、填空题 电信号通常分为两类:一类是电压随时间连续变化的模拟信号,另一类是电压随时间不连续变化的数字信号,图(甲)中的信号是______信号.现有一个简单的逻辑电路,在两个输入端A、B输入一定的电压信号后,在其输出端Z输出了如图(乙)所示的波形,由此可以判断,该门电路是______.
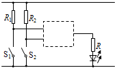
4、选择题 如图是一个电工应用某种逻辑电路制作的简单车门报警电路图.图中的两个按钮开关分别装在汽车的两道门上.只要其中任何一个开关处于开路状态,发光二极管就发光.请你根据报警装置的要求,在电路图的虚线框内应是何种电路?( )
A.“与”门
B.“或”门
C.“非”门
D.“与非”门
5、选择题 如图所示是一个三输入端复合门电路,当C端输入1,输出端Y输出1时,A、B 端的输入分别可能是:
A.0、0?B.0、1
C.1、0?D.1、1