时间:2017-11-10 08:14:09
1、填空题 如图所示,某十字路口有一交通指挥灯,内有红绿黄三盏灯,每盏灯额定功率40W,额定电压220V,现保证每盏灯发光时都能正常发光,且每次只是一盏灯亮,则该指挥灯连续工作5小时,每盏的电阻为______Ω,共耗电______度.
2、计算题 有一个直流电动机,把它接入0.2V电压的电路时,电动机不转,测得流过电动机的电流是0.4A,若把它接入3V电压的电路中,电动机正常工作,工作电流是1A。求:
(1)电动机正常工作时的输出功率;
(2)如在正常工作时,转子突然被卡住,此时电动机的发热功率多大?
3、选择题 请你应用已经学过的电磁学知识,判断以下说法中不正确的是( )
A.我国上空水平飞行的客机,机翼上有微弱的电流
B.电动机启动过程,随着转速的加快,其消耗的电功率也随之增加
C.雷雨天,我们不可以在树下躲雨
D.电动机可以作为发电机来提供电源
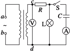
4、选择题 如图所示,理想变压器原线圈a、b两端接正弦交变电压u,u=220
sin?100πt?(V),原、副线圈的匝数比n1:n2=10:1,电压表V接在副线圈c、d两端,输电线的等效电阻为R,原来开关S是断开的.则当S闭合一段时间后( ? )
A.电压表示数不变,示数为22?V
B.电压表示数不变,示数为22
V
C.灯泡L两端的电压将变大

5、简答题 电动机的输出功率为40KW,效率为80%,用这台电动机提升2×104N的重物,使之匀速上升,工作30s,求重物上升高度为多少?消耗的电能为多少?(取g=10m/s2)