时间:2017-09-25 08:48:34
1、选择题 一小木块从固定的半球形容器的边缘滑到最低点的过程中,由于摩擦力的作用使得小木块的速率不变,则
A.因为速率不变,所以小木块的加速度为零
B.小木块下滑的过程中所受的合外力越来越大
C.小木块在下滑过程中的摩擦力大小不变
D.小木块在下滑过程中的加速度大小不变,方向始终指向圆心
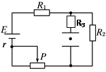
2、选择题 如图电路中,电源电动势为E、内阻为r,闭合开关S,增大可变电阻R的阻值后,电压表示数的变化量为△U.在这个过程中,下列判断正确的是( )
A.电阻R1两端的电压减小,减小量等于△U
B.电容器的带电量减小,减小量小于C△U
C.电压表的示数U和电流表的示数I的比值变大
D.电压表示数变化量△U和电流表示数变化量△I的比值不变
3、选择题 如图所示,C中间插有电介质的电容器,a和b为其两极板,a板接地,P和Q为两竖直放置的平行金属板,在两板间用绝缘线悬挂一带电小球;P板与b板用导线相连,Q板接地.开始时悬线静止竖直方向,在b板带电后,悬线偏转了角度α变大的是( )
A.缩小a、b间的正对面积
B.减小a、b间的距离
C.取出a、b两极板间的电介质,换一块形状大小相同的导体
D.取出a、b两极板间的电介质
4、选择题 如图所示,水平放置的平行板电容器中有一个带电液滴正好处于静止状态,现将滑动变阻器的滑片P向左移动,则(?)?
?
A.电容器中的电场强度将增大
B.电容器所带的电荷量将减少
C.电容器的电容将减小
D.液滴将向下运动
5、选择题 如图所示,水平放置的平行板电容器与一电池相连。在电容器的两板间有一带正电的质点处于静止状态。现将电容器两板间的距离增大,则
A.两板带电量一定,电容变大,质点向上运动
B.两板带电量一定,电容变大,质点向下运动
C.两板间电压一定,电容变小,质点保持静止
D.两板间电压一定,电容变小,质点向下运动