时间:2017-09-25 07:33:57
1、选择题 两电阻R1、R2的伏安特性曲线如图所示,由图可知( )
A.这两电阻的大小之比R1:R2为3:1
B.这两电阻的大小之比R1:R2为.1:
C.当这两个电阻上分别加上相同电压时,通过的电流之比为
:1
D.当这两个电阻上分别加上相同电压时,通过的电流之比为3:1
参考答案:D
本题解析:
本题难度:简单
2、选择题 两只完全相同的电流表,一只改装成电压表,一只改装成电流表,一同学做实验时,误将电压表和电流表串联起接入电路中,则( )
A.两只表的指针都不能偏转
B.两只表的指针偏转角度相等
C.电压表的指针有偏转,电流表的指针几乎不偏转
D.电流表的指针有偏转,电压表的指针几乎不偏转
参考答案:C
本题解析:电流表改装成电压表是串联较大的分压电阻;电流表改装成大量程电流表是并联较小的分流电阻;两表串联后,电流相等,但通过电流表的电流大多数从分流电阻通过,故电压表指针有偏转,电流表表头指针偏转角度很小,或者几乎不偏转;故ABD错误,C正确;故选C.
考点:电表的改装
本题难度:一般
3、选择题 两个定值电阻
串联后接在输出电压U稳定于12V的直流电源上,用一个内阻不是远大于
的电压表接在
两端(如图),电压表示数为8V,如果把此电压表改接在
两端,则电压表的系数将
[? ]
A.等于4V
B.小于4V
C.大于4V小于8V
D.等于或大于8V
参考答案:B
本题解析:
本题难度:一般
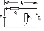
4、计算题 如图所示的电路中,电源电动势为E,内电阻不计,两电阻的阻值分别为R1和R2,在R2的两端并联上一段电阻忽略不计的导线L,求:
【小题1】R1两端电压
【小题2】导线L中通过的电流I3?
参考答案:
【小题1】E
【小题2】E/R
本题解析:【小题1】R2的两端并联上一段电阻忽略不计的导线L,将会使电阻R2短路,所以R1两端电压为电源电动势E
【小题2】导线L中通过的电流
本题难度:一般
5、选择题 两个电阻的伏安特性曲线如图所示,则将它们并联后的总电阻的伏安特性曲线应位于哪个区域( ? )
A.Ⅰ区域
B.Ⅱ区域
C.Ⅲ区域
D.阻值未知,不能确定
参考答案:C
本题解析:
本题难度:简单