时间:2017-08-22 01:59:12
1、选择题 将电容为1.2×10-11F的平行板电容器接在3V的电池上,则电容器所带电荷量为( )
A.0.4×10-11C
B.1.8×10-11C
C.3.6×10-11C
D.7.2×10-11C
2、选择题 在国际单位制里,电容的单位是F,下面表达式中哪一个是正确的( ? )
A.1F=1V/C
B.1F=1J/V
C.1F=1C/V
D.1F=1V/J
3、选择题 如图所示,一个质量为m,带电量为q的粒子(重力不计),从两平行板左侧中点沿垂直场强方向射入,当入射速度为v时,恰好穿过电场而不碰金属板。要使粒子的入射速度变为v/2,仍能恰好穿过电场,则必须再使
A.粒子的电量变为原来的1/2
B.两板间电压减为原来的1/4
C.两板间距离增为原来的2倍
D.两板间距离增为原来的4倍
4、选择题 传感器是将非电学量(如速度、温度、压力等)转换为电学量的一种元件,它在自动控制中有着相当广泛的应用。如图所示是一个液面高度的电容式传感器示意图,金属芯线与导电液体形成一个电容器,电容C大小的变化和液面高度h变化的关系是(?)
A.电容C增大表示液面高度h减小
B.电容C减小表示液面高度h增大
C.电容C增大表示液面高度h增大
D.电容C的大小与液面高度h无关
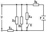
5、选择题 如图所示,U恒定,此时带电粒子P静止在平行板电容器之间,当K闭合时,带电粒子P将( )
A.向下加速运动
B.向上加速运动
C.保持静止
D.关于P的运动状态,无法确定