时间:2023-05-27 00:06:01


1、单项选择题 稳压管稳压是利用输出电压的微小变化会导致稳压管(),使限流电阻的电压降改变,以达到稳压目的。
A、电流变化很小
B、电流变化很大
C、电压变化很小
D、电压变化很大
2、单项选择题 乳液聚合中,温度升高的综合结果是使聚合速率()。
A、降低,使分子量增加
B、降低,使分子量也降低
C、增加,使分子量降低
D、增加,使分子量也增加
3、问答题 计算题:在21℃时由滴定管中放出10.03ml水,其质量为10.04g。已知21℃时每1ml水的质量为0.99700g。请计算滴定管在20℃时的实际容积和误差。
4、多项选择题 当胶乳充油部分停电时,须进行()操作。
A、将充油系统流量设定置于0
B、将各调节器切至“手动”后,关闭各调节阀
C、现场停止油乳混合泵及充油胶乳送料泵,关闭泵的进、出口阀及冷却水阀
D、关闭苯乙烯滗析器系统的相关阀门
5、多项选择题 自动空气开关具有多重保护,一般有()。
A、短路保护
B、过载保护
C、失压保护
D、漏电保护
6、单项选择题 流体直管阻力计算通式即范宁公式,适用于()。
A、层流
B、湍流
C、层流与湍流
D、过渡流
7、单项选择题 齿轮泵泵壳内有两个齿轮,它们是()。
A、两主动齿轮
B、一个主动齿轮,一个从动齿轮
C、两从动齿轮
D、一个动齿轮,一个静齿轮
8、单项选择题 在产量和聚合温度一定的条件下,主要采取()的方法来控制胶乳的门尼粘度。
A、增减分子量调节剂
B、改变单体比例
C、增减皂用量
D、增减催化剂用量
9、多项选择题 防止设备小孔腐蚀的办法有()。
A、制造时选用耐孔蚀的材料
B、在介质中添加缓蚀剂
C、控制介质的温度
D、控制介质的流速
10、单项选择题 变压器的铁芯一般采用()接地。
A、1点
B、2点
C、3点
D、4点
11、单项选择题 SBR-1778优级品挥发份指标是≤()。
A、0.75%
B、0.80%
C、0.90%
D、1.00%
12、单项选择题 在络离子中,金属原子是络合物的形成体,称为()。
A、络离子
B、络合物
C、中心离子
D、配位体
13、多项选择题 原料单元()纯度影响聚合反应。
A、丁二烯
B、苯乙烯
C、分子量调节剂
D、填充油
14、单项选择题 自动控制系统按系统的给定值可分为定值控制系统、随动控制系统和()系统。
A、程序控制
B、开环控制
C、闭环控制
D、复杂控制
15、单项选择题 缓蚀剂是一种()的物质。
A、加速腐蚀
B、减缓腐蚀
C、阻断腐蚀反应
D、加速化学反应
16、问答题 为什么列管换热器必须采取热补偿措施?
17、多项选择题 丁苯橡胶产品主要物性指标有()等。
A、生胶门尼粘度
B、25′300%定伸强度
C、35′300%定伸强度
D、50′300%定伸强度
18、单项选择题 胶束全部消失标志着乳液聚合的()结束。
A、乳胶粒生成期
B、恒速期
C、降速期
D、终止期
19、多项选择题 有可能造成丁二烯球罐跑料事故的原因是()。
A、罐内物料带水,冬季气温低,水结冰造成罐底部法兰破裂
B、当仪表停电或调节阀失灵时,在根阀未关闭的情况下,造成紧急排放阀跑料
C、取样口胶垫破裂,同时,罐底部根阀又未关闭,使取样口泄漏丁二烯
D、操作失误,致使罐内超温超压,使罐上部法兰垫片呲开,物料大量泄漏
20、单项选择题 在较剧烈的氧化条件下,使用过量的高锰酸钾,在加热的条件下,烯烃被氧化生成()。
A、二元酸
B、连二醇
C、二元酮
D、氧化裂解产物
21、多项选择题 根据《压力容器安全技术监察规程》,凡是同时满足以下()条件的压力容器均为较危险的压力容器。
A、最高工作压力≥0.1MPa(不含液体静压力)
B、内径(非圆截面指断面最大尺寸)≥0.15m,且容积≥0.025m3
C、介质为气体、液化气体
D、最高工作温度高于或等于标准沸点的液体
22、单项选择题 在电动机控制回路中,接触器的主要作用为()。
A、通断主回路
B、通断控制回路
C、过载保护
D、短路保护
23、单项选择题 滑动轴承轴瓦内表面上的浅槽的作用是()。
A、支撑
B、散热
C、存储和分配润滑油
D、精确定位
24、多项选择题 下列各项中,()属于开车前对电气检查的内容。
A、通讯系统是否良好
B、各转动设备是否已送电,开停动作正常
C、各静电接地点是否连接良好
D、各种防护用具是否准备齐全、好用
25、单项选择题 列管换热器内管子的()排列方式的对流传热系数较大。
A、等边三角形
B、正方形直列
C、正方形错列
26、单项选择题 胶乳残留苯乙烯含量是通过()来实现控制的。
A、低段压缩机的调节回路控制
B、调节各冷却器的出口温度
C、调节蒸汽的加入量
D、脱气塔胶乳输送泵出口上的调节阀
27、问答题 变压器的外部巡视检查有那些内容。
28、单项选择题 SBR-1502优级品生胶门尼粘度指标是()。
A、40~58
B、40~65
C、45~55
D、50~68
29、单项选择题 串级调节系统中,副调节器通常选用()调节规律。
A、PI
B、PID
C、PD
D、P
30、单项选择题 对于可逆反应,影响化学平衡常数的因素为()。
A、浓度
B、温度
C、压力
D、催化剂
31、多项选择题 在电动机正反转控制回路中,一般可采用()。
A、反转联锁
B、电气联锁
C、机械联锁
D、制动联锁
32、问答题 单环芳烃重要的取代反应有哪些?
33、单项选择题 在液液萃取三角形相图中,两相区的面积,不仅取决于三组分体系本身的性质,而且与()有关。
A、操作压力
B、操作步骤
C、操作方法
D、操作温度
34、单项选择题 积分时间对过渡过程的影响是().
A.积分时间缩短,余差消除较快
B.积分时间增大,稳定程度下降
C.积分时间缩短,超调量增大
D.积分时间增大,最大偏差减小
35、多项选择题 电焊变压器的结构一般具有()特点。
A、变压器绕组漏抗较大
B、变压器绕组漏抗较小
C、原绕组匝数可调
D、副绕组匝数可调
36、单项选择题 单相全波整流电路中,负载的平均电压为变压器二次电压的()。
A、0.45倍
B、0.5倍
C、0.9倍
D、1.0倍
37、多项选择题 胶乳组成的变化对脱气塔顶组成的影响主要体现在()。
A、蒸汽用量过大
B、当胶乳中皂含量较高时,单体丁二烯、苯乙烯脱出时会产生皂液夹带,造成塔顶产品胶乳夹带量偏大
C、聚合转化率过低,胶乳中单体丁二烯、苯乙烯含量高,加大了回收的负荷,造成塔顶产品胶乳夹带量偏大
D、残留苯乙烯偏高
38、单项选择题 喷射式真空泵是利用流体流动时的()的原理来吸、送流体的。
A、位能转化为动能
B、动能转化为静压能
C、静压能转化为动能
D、静压能转化为位能
39、单项选择题 我国规定稳定压力的容器,爆破片的设计压力应为容器最大工作压力的()。
A、1.1倍
B、1.25倍
C、1.5倍
D、2.0倍
40、多项选择题 掺合单元的质量控制指标主要有()。
A、胶乳门尼粘度
B、充油胶乳油含量
C、胶乳纯度
D、胶乳结合苯乙烯含量
41、单项选择题 设备防腐用覆盖层的类别,下列叙述不正确的是()。
A、金属覆盖层
B、非金属覆盖层
C、化学覆盖层和电化学覆盖层
D、物理覆盖层
42、问答题 离子聚合有何特点?
43、问答题 聚合产生高温胶乳时如何处理?
44、多项选择题 属于漏氨工艺事故的处理方法是()。
A、一旦发现装置内大量液氨泄漏,首先应佩戴好氧气呼吸器,穿好防冻伤劳动保护用品,关闭装置内通向泄漏点的阀门,切断泄漏点的物料来源
B、迅速用大量水冲洗,稀释泄漏至大气中的氨气,疏散下风口有关人员
C、及时通知安全、气防、消防等部门及有关领导,协助将液氨泄漏事故危害降到最低限度
D、应急小组采取必要的措施,控制事态的发展;消防队接警后,出动车辆赶赴事故现场进行掩护;气防站接警后,赶现场,提供需要的呼吸器具和氧气
45、单项选择题 晶体三极管内部有()半导体材料构成。
A、2层
B、3层
C、4层
D、5层
46、单项选择题 络合催化()。
A.是单相催化
B.是多相催化
C.一般多指在溶液中进行的液相催化
D.都不对
47、单项选择题 “干冰”-二氧化碳是一种()。
A、氧化剂
B、还原剂
C、灭火剂
D、致冷剂
48、多项选择题 半导体中同时存在着()。
A、电子导电
B、空穴导电
C、离子导电
D、粒子导电
49、问答题 胶乳贮存时间对产品质量有何影响?
50、多项选择题 完好设备必须具备的标准是:内部构件完好无损,质量符合要求和()。
A、主体整洁,零附件齐全好用
B、技术资料齐全准确
C、设备包质期长
D、运转正常,效能良好
51、单项选择题 滗析器苯乙烯的液位是通过()来实现控制的。
A、采取间断送料的方式,由液位自动调节系统
B、低段压缩机的调节回路控制
C、加热器出口的液位调节系统
D、调整转化率
52、单项选择题 SBR-1778优级品有机酸指标是()。
A、3.90%~5.70%
B、5.00%~6.25%
C、5.00%~7.25%
D、6.00%~8.25%
53、多项选择题 当凝聚系统紧急停电时,须进行()操作。
A、立即进行停电时的紧急停车,并与有关部门进行联系紧急停车事宜
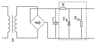
B、所有的仪表由“自动”切至“手动”后,关闭凝聚所有物料的进料调节阀
C、现场按动所有设备的“停车”按钮
D、根据停电时间的长短,再按长期停车或临时停车进行处理
54、多项选择题 以下物质与不对称烯烃进行加成反应时,符合马尔柯夫尼柯夫规律的有()。
A、卤素
B、卤化氢
C、硫酸
D、水
55、多项选择题 半导体整流电路包括()。
A、整流变压器
B、整流电路
C、滤波电路
D、稳压电路
56、单项选择题 压力容器的技术验收规则包括:验收要求和程度、验收组成员的资格责任和权限、设计文件审查、出厂文件审查、产品质量检查状况和()。
A、原材料质量检查
B、安全状况等级评定
C、安全附件检查
D、配套设施状况
57、问答题 聚合停止进料前的工艺调整的主要依据是什么?
58、单项选择题 串级调节系统主调节输出信号送给()。
A、调节阀
B、副调节器
C、变送器
D、主对象
59、单项选择题 晶体三极管的最基本功能是()。
A、单向导电功能
B、放大功能
C、双向导电功能
D、稳压功能
60、多项选择题 配制单元()纯度影响聚合反应。
A、乳化剂
B、除氧剂
C、电解质
D、凝聚剂
61、单项选择题 单环芳烃的苯环结构是一个闭合的共轭体系,具有特殊的稳定性,因此易发生()。
A、氧化反应
B、加成反应
C、取代反应
D、合成反应
62、单项选择题 烯烃与卤素进行加成反应时,卤素的活泼顺序为()。
A、I>Br>Cl
B、Cl>I>Br
C、Cl>Br>I
D、Br>I>Cl
63、问答题 为什么必须控制回收单元中闪蒸槽的温度?
64、多项选择题 以下()的物系宜于采用填料塔。
A、易发泡
B、易聚合
C、强腐蚀
D、热敏性
65、单项选择题 SBR-1500优级品混炼胶门尼粘度指标是≤()。
A、65
B、85
C、95
D、105
66、多项选择题 下列各项中,()属于聚合与回收、冷冻单元的联系内容。
A、胶乳送回收单元
B、接收冷冻单元的液氨
C、向冷冻单元输送气氨
D、接收配制单元乳化剂
67、多项选择题 下列各项中,()属于单机试车方案的内容。
A、试车组织机构
B、试车应具备的条件
C、试车时间、程序
D、设备的技术参数
68、单项选择题 压缩机的压力是通过()来实现控制的。
A、调整转化率
B、调节各冷却器的出口温度
C、调节蒸汽的加入量
D、压缩机的调节回路控制
69、多项选择题 属于脱气塔发泡冲浆处理方法是()。
A、降低脱气塔的进料量,降低蒸汽加入量,待处理正常后,恢复正常
B、加大消泡剂加入量,并联系分析其浓度
C、检查塔压差、液位是否正常,闪蒸槽系统是否正常
D、对苯乙烯滗析器水室置换处理
70、单项选择题 在管道上涂油漆,在设备内衬瓷板都是为了防止管道和设备发生()。
A、腐蚀
B、泄漏
C、传热
D、损坏
71、问答题 自由基聚合时,自动加速现象是什么原因造成的?
72、多项选择题 主动齿轮的齿数、模数、分度圆直径分别为z1、m1、d1和被动齿轮的齿数、模数、分度圆直径分别为z2、m2、d2,则减速比i可以表示为()。
A、z1/z2
B、z2/z1
C、m1/m2
D、d2/d1
73、多项选择题 接收、贮存及输送()属于原料单元与回收的联系内容。
A、分子量调节剂
B、终止剂
C、回收丁二烯
D、回收苯乙烯
74、单项选择题 列管换热器内安装折流挡板的目的是(),使湍动程度加剧,增大传热系数。
A、加大壳程流体的流速
B、降低壳程流体的流速
C、加大管程流体的流速
D、降低管程流体的流速
75、单项选择题 变压器一、二次绕组电流比I1/I2等于()。
A、匝数N1/N2
B、电势E1/E2
C、电压U1/U2
D、匝数N2/N1
76、问答题 自动调节系统按调节规律分为哪几类。
77、多项选择题 压力容器、压力管道常用的无损检测方法有超声波探伤、磁粉探伤、涡流探伤和()。
A、渗透探伤
B、射线探伤
C、耐压试验
D、流量测量
78、单项选择题 有关固体之干燥操作,于一固定之干燥条件下,经干燥至无限长时间,仍无法除去的水份是()。
A、临界水份
B、自由水份
C、平衡水份
D、总水份
79、单项选择题 一个圆柱齿轮的分度圆直径为d,齿数为z,模数为m,则下列公式正确的是()。
A、m=dz
B、d=mz
C、z=md
D、z=m/d
80、多项选择题 从天平的构造原理来分,天平包括()。
A、机械式天平
B、单盘式天平
C、双盘式天平
D、电子天平
81、多项选择题 当聚合系统停电时,须进行()操作。
A、在控制盘上设定紧急停车状态,停止各物料的进入
B、手动关闭控制阀;停止调节剂进料泵关闭泵上出口阀门;关闭进料集管系统各流量表的进口阀
C、关闭冷却器液氨管线上的主阀门,将压力设定值提高;关闭氨分离器上各液氨管线上的入口阀
D、从聚合釜上部按顺序向各釜加入规定量终止剂
82、单项选择题 苯与卤素进行卤代反应时,卤素的活泼顺序为()。
A、I>Cl>F
B、Cl>I>F
C、F>Cl>I
D、F>I>Cl
83、单项选择题 在温升较高或较长轴两端安装的两个滚动轴承的安装方式是()。
A、两端双向固定
B、一端双向固定,一端游动支承
C、两端游动支撑
D、两端单向固定
84、多项选择题 化学反应速度常数随()改变。
A、浓度
B、反应温度
C、催化剂
D、体积
85、单项选择题 SBR-1500优级品有机酸指标是()。
A、4.25%~6.00%
B、5.00%~6.25%
C、5.00%~7.25%
D、6.00%~8.25%
86、单项选择题 在电动机控制回路中,按下停止按钮时,首先使接触器(),从而达到停止电机运行的目的。
A、主触点失电
B、辅助触点失电
C、铁芯失电
D、线圈失电
87、问答题 变压器三相电压不平衡可能有那些原因?
88、单项选择题 ()可能造成离心式压缩机入口温度升高。
A、压缩机高速运转
B、压缩机低速运转
C、压缩机入口流量过低
D、压缩机入口流量过高
89、单项选择题 根据《压力容器安全技术监察规程》,较危险的压力容器最高工作压力不小于()(不含液体静压力)。
A、0.1MPa
B、0.15MPa
C、0.2MPa
D、0.25MPa
90、单项选择题 导电能力主要由()决定的,称为P型半导体。
A、电子
B、离子
C、粒子
D、空穴
91、问答题 湿球温度对干燥有何意义?
92、单项选择题 滑动轴承在正常工作时和轴接触的是()。
A、轴瓦
B、滚珠
C、滚柱
D、润滑油膜
93、单项选择题 SBR-1778优级品混炼胶门尼粘度指标是≤()。
A、40
B、64
C、95
D、105
94、单项选择题 利用电容滤波后,其平均输出电压比滤波前()。
A、略有下降
B、不变
C、略有升高
D、大大增高
95、问答题 干燥风量对干燥过程如何影响?
96、多项选择题 厢式干燥器中的加热方式有()。
A、单级加热
B、多级加热
C、箱式加热
D、釜式加热
97、单项选择题 SBR-1712优级品生胶门尼粘度指标是()。
A、50~68
B、46~56
C、40~65
D、40~58
98、单项选择题 标识为SFP-6300/35的变压器额定容量为()。
A、35kVA
B、6300kVA
C、35VA
D、6300VA
99、多项选择题 属于交流弧焊机的有()。
A、动圈式弧焊变压器
B、弧焊发电机
C、动铁式弧焊变压器
D、硅整流弧焊机
100、多项选择题 利用电感滤波,是利用电感的()。
A、交流感抗大特性
B、交流感抗小特性
C、直流电阻大特性
D、直流电阻小特性
101、单项选择题 乳化剂的()应在聚合温度以下。
A、沸点
B、自燃点
C、熔点
D、三相平衡点
102、单项选择题 转子流量计特别适宜于管道直径小于()。
A、80mm
B、50mm
C、40mm
D、25mm
103、单项选择题 SBR-1778优级品生胶门尼粘度指标是()。
A、30~50
B、40~65
C、44~54
D、50~68
104、单项选择题 螺杆泵开车时()。
A、无自吸能力,需灌泵
B、必须打开出口阀或回流阀
C、回流阀、出口阀都关闭
D、不排气、充液
105、单项选择题 精馏操作中,若一块设计合格的塔板出现了严重漏液现象,应()。
A、提高操作压力
B、提高进料量
C、提高汽相负荷
D、降低进料量
106、单项选择题 弧焊整流器式电焊机输出为()。
A、直流
B、交流
C、直流或直流脉冲
D、交流或交流脉冲
107、单项选择题 苯与浓硫酸或发烟硫酸作用,会发生(),生成苯磺酸。
A、氧化反应
B、硝化反应
C、磺化反应
D、酰基化反应
108、单项选择题 管道进行气压强度试验时,对于真空管道(表压)应为(),一般管路为设计压力的1.5倍。
A、0.1MPa
B、0.2MPa
C、1.0MPa
D、2.0MPa
109、单项选择题 三相异步电动机的定子部分主要由机座、定子铁心、()及端盖、轴承等部件组成。
A、转子铁心
B、风扇
C、三相定子绕组
D、转子绕组
110、单项选择题 ()属于回收与掺合(胶浆)单元的联系内容。
A、聚合单元接收冷冻单元的液氨
B、聚合单元向回收单元输送脱氧水
C、聚合单元向冷冻单元输送气氨
D、将聚合单元的胶乳经回收单体送掺合(胶浆)单元
111、单项选择题 往复泵的泵体部分由()、泵缸、吸入阀和排出阀等组成。
A、叶轮
B、泵壳
C、活塞
D、转子
112、多项选择题 下列各项中,()属于联动试车方案的内容。
A、试车的组织机构
B、试车应具备的条件
C、试车时间、程序
D、装置主要工艺指标
113、单项选择题 离心通风机产生的表压低于(),对气体起输送作用。
A、15kPa
B、100kPa
C、300kPa
D、500kPa
114、多项选择题 干燥后的成品胶粒外观颜色与标准不一致的原因有()。
A、防老剂加入量过大或过小
B、干燥温度过高,导致塑化胶、污染胶的产生
C、干燥温度过低,导致湿斑胶的产生
D、焦油吸附器吸附饱和或干燥箱内挂胶、积胶长时间未清理,而导致焦油污染或塑化胶
115、多项选择题 离心式压缩机的密封方式采用基本型式的迷宫密封,经过一些变更形成“油气密封”,可以阻止输送的()不往外泄露。
A、易燃液体
B、易燃气体
C、易爆液体
D、易爆气体
116、单项选择题 一般家庭用漏电空气开关的额定漏电动作电流选择以不超过()为限。
A、10mA
B、20mA
C、30mA
D、50mA
117、单项选择题 SBR-1502优级品35′300%定伸强度指标是()。
A、10.4~14.4MPa
B、12.4~16.4MPa
C、14.4~18.4MPa
D、16.4~20.4MPa
118、单项选择题 填料塔的核心部分是()。
A、塔体
B、填料
C、液体分布装置
D、填料支承装置
119、单项选择题
压块机油路图中的符号
表示()。
A、端管在液面上的油箱
B、端管在液面下的油箱
C、密闭式油箱
D、带液位指示的油箱
120、问答题 湿胶粒为什么要洗涤?
121、单项选择题 SBR-1712优级品混炼胶门尼粘度指标是≤()。
A、50
B、70
C、95
D、105
122、单项选择题 根据马尔柯夫尼柯夫规律,1-丁烯与溴化氢进行加成反应,产物为()。
A、CH3-CH2-CH2-CH2Br
B、CH3--CH2-CH2Br-CH3
C、CH3--CH2-CHBr-CH3
D、CH3--CH3--CHBr-CH3
123、多项选择题 压力容器一共有七个环节必须严格执行《压力容器安全技术监察规程》的规定,它们是设计、制造、()、检验、修理和改造。
A、分析
B、使用
C、安装
D、校正
124、单项选择题 苯在高温及催化剂下,发生(),苯环破裂,生成顺丁烯二酸酐。
A、加成反应
B、取代反应
C、氧化反应
D、聚合反应
125、单项选择题
下述简图表示的是哪种类型的减速机()。

A、圆柱齿轮减速机
B、蜗杆减速机
C、行星齿轮减速机
D、摆线针轮减速机
126、单项选择题 与中心离子相结合的中性分子或阴离子称为()。
A、络离子
B、络合物
C、中心离子
D、配位体
127、单项选择题 乳液聚合的第三阶段,体系中存在着()相。
A、5个
B、4个
C、3个
D、2个
128、单项选择题 SBR-1712优级品结合苯乙烯指标是()。
A、18.5%~21.5%
B、20.5%~24.5%
C、22.5%~24.5%
D、23.5%~26.5%
129、单项选择题 SBR-1502优级品混炼胶门尼粘度指标是≤()。
A、65
B、90
C、95
D、105
130、多项选择题
液压符号
表示()。
A、端管在液面下的油箱
B、油箱带空气过滤器
C、油箱带温度计
D、开放式的油箱
131、问答题 简述离心泵的选择方法和步骤?
132、多项选择题 单环芳烃的傅—克反应包括()。
A、硝化反应
B、磺化反应
C、酰基化反应
D、烷基化反应
133、单项选择题 ()是指t-H图中所有与横坐标平行的直线。
A、等湿含量线
B、等相对湿度线
C、等质量热容线
D、等干球温度线
134、单项选择题 一台5.5kW的电动机,额定电流为11.5A,空气开关的额定电流应选择()。
A、6A
B、10A
C、16A
D、32A
135、问答题 试说明引发剂浓度从哪些方面对聚合度产生影响?
136、多项选择题 离心式压缩机运行中,提高压缩机负荷,采用()操作。
A、降低转速
B、提高转速
C、开大回流阀
D、关小回流阀
137、多项选择题 当回收系统停电时,须进行()操作。
A、在控制盘上将联锁置于“切断”位置
B、手动关闭液位、温度、流量各调节阀
C、停止压缩机,并切断各气体管线;关闭各压缩机气体入口阀;关闭蒸汽调节阀;关闭液氨调节阀
D、停泵,关闭各泵出口阀
138、单项选择题 晶体三极管具备放大功能的条件是发射结正偏和()。
A、发射结反偏
B、集电结反偏
C、基结反偏
D、接收结反偏
139、多项选择题 聚合反应中,原材料质量的变化主要表现为()的变化。
A、单体纯度
B、皂液浓度
C、两种皂的配比及杂质含量
D、其它辅助原料中杂质含量
140、多项选择题 聚合单元的质量控制指标主要有()。
A、聚合转化率
B、门尼粘度
C、结合苯乙烯含量
D、凝聚剂纯度
141、单项选择题 对于有纯固体或纯液体参加的反应,如煤的燃烧:C+O2→CO2,其反应速度方程式为()。
A、v=k[C]
B、v=k[O2]
C、v=k[C][O2]
D、v=[C][O2]
142、问答题 管道如何进行液压强度试验?
143、单项选择题 干燥速率曲线图中,有关恒速期的叙述中,()是错误的。
A、恒速期终了时之水份,称为平衡含湿量
B、恒速期中,干燥速率保持不变
C、恒速期中,固体表面水份之蒸发速率,等于固体内部水份供给至表面之速率
D、恒速期中,固体表面温度和空气湿球温度相同
144、单项选择题 对于一步完成的简单反应:mA+nB→C,其反应速度方程式为()。

145、单项选择题 SBR-1778优级品25′300%定伸强度指标是()。
A、4.1~8.6MPa
B、7.4~11.5MPa
C、8.1~13.6MPa
D、9.1~13.6MPa
146、多项选择题 标识为△/Y,220V/380V的电动机,可以()电路中。
A、△接于220V
B、△接于380V
C、Y接于220V
D、Y接于380V
147、多项选择题 属于稠环芳烃的物质有()。
A、萘
B、蒽
C、菲
D、苯
148、多项选择题 下列各项中,()属于开车前对仪表检查的内容。
A、各调节阀的开闭试验是否正常
B、各联锁系统、报警系统是否运行正常
C、各流量计动作是否正常
D、各种防护用具是否准备齐全、好用
149、单项选择题 SBR-1502优级品结合苯乙烯指标是()。
A、18.5%~21.5%
B、20.5%~24.5%
C、22.5%~24.5%
D、23.5%~26.5%
150、多项选择题 输入轴与输出轴在同一轴线上的减速机是()。
A、圆柱齿轮减速机
B、圆锥齿轮减速机
C、行星减速机
D、摆线针轮减速机
151、单项选择题 在滑动轴承中,轴瓦上浇铸的轴承合金的主要作用是()。
A、减少摩擦
B、增加轴承的支撑强度
C、防锈
D、便于拆卸
152、单项选择题 在电动机正反转控制回路中,至少需要()接触器。
A、1个
B、2个
C、3个
D、4个
153、单项选择题 晶体三极管具有放大作用,可用较小的基极电流控制较大的()。
A、集电极电流
B、发出极电流
C、接收极电流
D、放大极电流
154、单项选择题 滤波电路是滤去电路中的()。
A、交流分量
B、直流分量
C、交、直流分量
D、非交流分量
155、单项选择题 有机锂的种类对溶液聚合生产丁苯胶的微观结构影响较小,对聚合反应速率()。
A、没影响
B、影响较小
C、影响较大
D、影响较小或没影响
156、单项选择题 与中心离子相结合的配位体的总数称为()。
A、中心离子的配位数
B、络合物的总数
C、中心离子的总数
D、配位体的总数
157、单项选择题 阳离子聚合的单体是()
A、氯乙烯
B、MMA
C、异丁烯
D、丙烯腈
158、多项选择题 当配制系统停电时,须进行()操作。
A、停止进料
B、关闭泵出入口
C、严密监视贮罐温度、液位变化情况并做相应处理
D、再次来电后,重新向聚合供料
159、单项选择题 硅稳压管的符号为()。
A、Gw
B、Gd
C、Dw
D、Dg
160、单项选择题 变压器的上层油温一般应在()以下。
A、75℃
B、85℃
C、90℃
D、95℃
161、多项选择题 下列各项中,()属于联动试车方案的内容。
A、正常操作控制及维护要求
B、开、停车方法及事故处理方法
C、试车所用介质以及公用工程的平衡
D、试车过程中的注意事项及应急处理
162、多项选择题 造成工艺漏氨事故原因是()。
A、由于系统内带水,在冬季由于气温低,造成管线、阀门被冻裂
B、由于气温升高或液氨接料过多,引起贮罐压力上升,导致安全阀起跳
C、由于设备本身存在的问题,如焊口出现裂痕、罐壁被腐蚀、管线阀门质量不合格等
D、系统氧含量高
163、单项选择题 在正反转控制回路中,利用复合按钮进行的联锁叫()。
A、电气联锁
B、制动联锁
C、反转联锁
D、机械联锁
164、单项选择题 回收尾气吸收系统液位是通过()来实现控制的。
A、低段压缩机的调节回路控制
B、尾气排大气管线上的自动调节系统
C、煤油吸收塔的液位调节系统
D、调整转化率
165、单项选择题 脱气塔塔釜液位是通过()来实现控制的。
A、低段压缩机的调节回路控制
B、调节各冷却器的出口温度
C、定期进行清理,减少胶气塔的堵塞程度
D、脱气塔胶乳输送泵出口的调节阀
166、单项选择题 SBR-1500优级品生胶门尼粘度指标是()。
A、50~68
B、46~58
C、40~65
D、40~58
167、多项选择题 对需要能量的管路系统来说,必须了解(),并通过计算求出在此流量下所需的扬程。
A、输送液体的性质
B、操作温度
C、操作压力
D、流量
168、多项选择题 造成丁二烯球罐跑料事故的主要原因是()。
A、因无定期进行设备探伤检测或检测不仔细,丁二烯罐底部第一道法兰处焊口裂
B、罐内氧含量过高,生成过氧化物,造成局部自聚,使阀门等破裂
C、消泡剂加入量不足或消泡剂失效、浓度变低现场检修施工碰撞设备管线
D、现场检修施工碰撞设备管线
169、单项选择题 ()具有羧酸的一般通性,也具有醛类的某些性质。
A、甲酸
B、乙酸
C、乙二酸
D、苯甲酸
170、单项选择题 在其它参数不变的情况下,气体分子量增大,离心式压缩机()。
A、不易发生喘振
B、容易发生喘振
C、喘振点不变
D、易造成跳闸
171、问答题 凝聚颗粒度变化对操作有何影响?
172、问答题 乳聚丁苯橡胶中乳化剂有何作用?
173、单项选择题 金属管路涂的第一层漆称之为()。
A、面漆
B、清漆
C、底漆
D、银粉漆
174、单项选择题 回收尾气吸收系统压力是由()来实现控制的。
A、低段压缩机的调节回路控制
B、尾气排大气管线上的自动调节系统
C、调节蒸汽的加入量
D、调整转化率
175、单项选择题 自由基反应链的终止方式有两种历程,一是偶合终止,另一为()。
A、歧化终止
B、自然终止
C、终止剂终止
D、自由基终止
176、单项选择题 容积式流量计适用于()的流体。
A、高温
B、含固体颗粒
C、高粘度
D、低温
177、单项选择题 变频器的功能是将电网电压提供的恒压恒频交流电变换成()交流电,变频伴随变压,对交流电动机实现无极调速。
A、恒流恒频
B、变压变频
C、变压恒频
D、恒压变频
178、单项选择题 SBR-1502优级品有机酸指标是()。
A、4.50%~6.75%
B、5.00%~6.25%
C、5.00%~7.25%
D、6.00%~8.25%
179、多项选择题 吸收塔内任意截面处以上塔段吸收的溶质进行物料衡算方程是指()。

180、单项选择题 ()在全部流量计中属于最准确的一类流量计。
A、孔板式流量计
B、转子流量计
C、容积式流量计
D、涡轮流量计
181、单项选择题 当固体物料达平衡干燥时,已被蒸发移去之水含量称为()。
A、结合水含量
B、自由水含量
C、总水含量
D、平衡水含量
182、多项选择题 自动控制系统一般分为()系统。
A、定值控制
B、扫描控制
C、随动控制
D、程序控制
183、问答题 自动空气开关一般选用原则是什么?
184、单项选择题 对于降低运行机泵电流的有效措施是()。
A、提高轴功率
B、更换轴承
C、增加润滑脂
D、增强散热
185、多项选择题 下列各项中,()属于凝聚、干燥、压块、包装的联系内容。
A、当凝聚单元准备开车时,要与干燥单元联系,通知开工时间
B、干燥单元与压块、包装单元联系,通知生产负荷及生产品种
C、聚合单元向冷冻单元输送气氨
D、掺合将掺合合格的胶乳送往凝聚
186、单项选择题 精馏塔液相负荷上限表明了应保证液体在精馏塔降液管内的()。
A、停留时间
B、液层厚度
C、流量
D、泄漏量
187、多项选择题 离心式压缩机喘振的预防措施有()。
A、部分气流放空法
B、部分气流回流法
C、防止进气压力低、温度高
D、改变转速
188、单项选择题 ()人的皮肤多偏油。
A.角质层厚时
B.在北极圈内
C.炎热的夏天
D.寒冷的冬季
189、单项选择题 SBR-1502优级品挥发份指标是≤()。
A、1.00%
B、0.90%
C、0.80%
D、0.60%
190、单项选择题 焊接变压器在焊接时要求电压急剧下降,额定负载时电压一般为()左右。
A、10V
B、20V
C、30V
D、40V
191、单项选择题 输送蒸汽的管道表面一般涂()的面漆。
A、绿色
B、黄色
C、红色
D、灰色
192、问答题 单环芳烃的物理性质主要有哪些?
193、单项选择题 完好设备必须具备的标准是:运转正常,效能良好;内部构件完好无损,质量符合要求;主体整洁,零附件齐全好用和()。
A、设备效率高
B、技术资料齐全准确
C、设备保质期长
D、设备结构合理
194、问答题 描述调节对象特性的参数有哪些?
195、多项选择题 晶体三极管的输出特性分为()。
A、饱和区
B、放大区
C、导通区
D、死区
196、多项选择题 吸收操作线方程主要是指()。

197、单项选择题 在滴定分析中,容量仪器是以()为标准而校准的。
A、0℃
B、4℃
C、20℃
D、25℃
198、多项选择题 提馏段内的溢流液体流量与()有关。
A、精馏段下降液体流量
B、进料量
C、进料热状况
D、汽相流体流量
199、单项选择题 因为()的旋转部件惯性作用较小,所以它能比其它转子泵和柱塞泵更高速的转速运转。
A、离心泵
B、齿轮泵
C、螺杆泵
D、往复泵
200、单项选择题 SBR-1500优级品挥发份指标是≤()。
A、0.75%
B、0.80%
C、0.90%
D、1.00%
201、单项选择题 在产量和聚合温度一定的条件下,主要采取()的方法来控制聚合的转化率。
A、增减分子量调节剂
B、改变单体比例
C、增减皂用量
D、增减催化剂用量
202、单项选择题
压块机油路图中管路符号
表示()。
A、管路在实际空间布局上交叉不连接
B、管路在实际空间布局上交叉且连接
C、两管路不连接,与空间实际布局无关
D、两管路有连接点
203、单项选择题
图示
电磁阀在失电状态时,油路是()。
A、截止的
B、导通的
C、可能截止可能导通
D、半截止状态
204、多项选择题 离心泵的铭牌上的主要性能指标有:泵的型号、()、转数、轴功率和效率。
A、工作温度
B、流量
C、扬程
D、公称直径
205、单项选择题 单相桥式整流电路共需要()整流二极管。
A、2个
B、4个
C、6个
D、8个
206、单项选择题 乳液聚合过程中,单体液滴消失标志着()结束。
A、乳胶粒生成期
B、终止期
C、降速期
D、恒速期
207、单项选择题 离心式压缩机主要由转子、()和辅助设备等部件构成。
A、活塞
B、定子
C、齿轮
D、螺杆
208、单项选择题 输入轴与输出轴垂直的减速机是()。
A、蜗轮蜗杆减速机
B、圆柱齿轮减速机
C、行星减速机
D、摆线针轮减速机
209、多项选择题 通过()得到的直流电压,通常要加稳压电路,以适应精密仪器的需要。
A、调频
B、整流
C、滤波
D、放大
210、单项选择题 离心式压缩机入口气体平均分子量增加,会造成压缩机()。
A、转速下降
B、出口流量下降
C、喘振
D、背压升高
211、多项选择题 下列各项,属于设备防腐方法的是()。
A、正确选用材料
B、合理设计结构
C、改变操作环境
D、应用缓蚀剂
212、单项选择题 酸碱指示剂大都是()。
A、弱酸
B、弱碱
C、两性物质
D、有机的弱酸、弱碱或两性物质
213、问答题 操作人员在工作中,对设备应具有哪些基本知识?
214、单项选择题 用于吸收操作的填料塔,其内部的填料需加以选择。其填料需具备的条件是()。
A、与气体或液体起反应
B、间隙宜小
C、比重宜大
D、比表面积宜大
215、多项选择题 干燥单元中影响产品质量的因素主要有()。
A、干燥温度
B、橡胶挥发份
C、链板链速
D、结合苯乙烯含量
216、单项选择题 硅稳压管的反向电流不超过工作范围,反向电流变化很大时,其电压变化()。
A、很小
B、不变
C、2~3倍
D、很大
217、多项选择题 螺杆泵()、无噪音、流量均匀。适用于输送粘稠液体。
A、扬程高
B、扬程低
C、效率高
D、效率低
218、单项选择题 硅稳压管是具有特殊()特性的晶体二极管。
A、正向
B、反向
C、双向
D、多向
219、多项选择题 当干燥系统紧急停电时,须进行()操作。
A、立即进行停电时的紧急停车,并与有关部门进行联系紧急停车事宜
B、将干燥箱联锁切换开关由“自动”切至“手动”
C、关闭干燥箱的蒸汽主阀
D、关闭硅油喷洒系统进口阀
220、单项选择题 防雷接地装置的作用是流散雷电()。
A、电压
B、电流
C、电位
D、电阻
221、单项选择题 输送粘稠液体或膏状物时,应选用()。
A、离心泵
B、往复泵
C、隔膜泵
D、齿轮泵
222、多项选择题 闪蒸槽的压力是根据()而定的。
A、压缩机入口的压力
B、聚合反应要求
C、单体分离要求
D、胶乳输送要求
223、问答题 静电点燃的条件是什么?
224、多项选择题 对供给能量的泵来说,必须了解当前所生产泵的()。
A、类型
B、规格
C、性能
D、材质
225、单项选择题 压力容器的外部检查是指专业人员在压力容器运行中定期的在线检查,每()至少一次。
A、半年
B、1年
C、2年
D、3年
226、单项选择题 电焊机按焊接热源原理分为电阻焊机和()。
A、电压焊机
B、电流焊机
C、整流焊机
D、电弧焊机
227、单项选择题 化工测量过程中测量参数()测量易引起纯滞后。
A、温度、成分
B、压力、成分
C、流量、温度
D、液位、流量
228、单项选择题 输送清水的在管道表面一般涂()的面漆。
A、绿色
B、黄色
C、红色
D、灰色
229、单项选择题 如果不加说明,通常离心通风机的风压是指的()。
A、全风压
B、动风压
C、静风压
D、表压
230、单项选择题 由两个圆柱齿轮组成的减速机,属于()圆柱齿轮减速机。
A、1级
B、2级
C、3级
D、4级
231、多项选择题 下列各项中,()属于原料单元与外界的联系内容。
A、与供应部门、罐区、碳四(丁二烯车间)等联系原料的接收工作
B、与聚合、回收、掺合等单元联系正常的物料输送、接收
C、与分析室联系物料的分析
D、装置主要工艺指标
232、多项选择题 配制单元()纯度影响凝聚反应。
A、硫化促进剂
B、防老剂
C、电解质
D、凝聚剂
233、单项选择题 电力变压器是根据()制成的。
A、磁滞原理
B、互感原理
C、涡流原理
D、电磁感应原理
234、单项选择题
下图中,虚框部分的作用是()。

A、变压
B、整流
C、稳压
D、滤波
235、单项选择题 变压器一、二次绕组电压比U1/U2等于()。
A、匝数N1/N2
B、匝数N2/N1
C、电流I1/I2
D、电势E2/E1
236、多项选择题 影响干燥速率的因素有()等。
A、湿物料的性质与形状
B、物料中的平衡水分
C、干燥介质的温度和湿度
D、干燥介质的流速和流向
237、单项选择题 对于气膜控制的气体吸收过程,要提高吸收速率,应特别注意减小()。
A、气膜阻力
B、气体流量
C、液膜阻力
D、液体流量
238、单项选择题 在非常缓和的条件下,使用适量的稀高锰酸钾溶液,烯烃被氧化生成()。
A、二元酸
B、连二醇
C、二元酮
D、二元酯
239、单项选择题 SBR-1500优级品25′300%定伸强度指标是()。
A、4.1~8.6MPa
B、7.1~11.6MPa
C、8.1~13.6MPa
D、9.1~13.6MPa
240、多项选择题 接收、贮存及输送()属于原料单元与聚合、掺合单元的联系内容。
A、回收丁二烯
B、回收苯乙烯
C、高芳烃油
D、引发剂
241、多项选择题 烯烃比较容易被氧化,常用的氧化剂有()。
A、高锰酸钾
B、重铬酸钾-硫酸
C、三氯化铁
D、过氧化物
242、单项选择题 外啮合齿轮泵的特点,下列说法正确的是()。
A、结构复杂,制造加工难度大
B、运转平稳,噪声小
C、适用于输送含固体颗粒的液体
D、自带安全阀
243、问答题 机械绘图中,剖视图的定义是什么?
244、单项选择题 可以在发动机曲轴的中间段安装的轴承是()。
A、剖分式滑动轴承
B、整体式滑动轴承
C、深沟球轴承
D、角推力轴承
245、单项选择题 闪蒸槽的液位是通过()来实现控制的。
A、低段压缩机的调节回路控制
B、闪蒸槽的出口管线上的调节阀
C、加热器出口的液位调节系统
D、调整转化率
246、多项选择题 变压器一般有铁心、绕组、()组成。
A、油箱
B、绝缘套管
C、冷却系统
D、线圈
247、单项选择题 在聚合生产中,由于氨冷系统因工艺及仪表故障而引起聚合反应温度超出正常温度时产生的胶乳为()胶乳。
A、低结苯
B、高结苯
C、低温
D、高温
248、多项选择题 胶乳组成的变化对脱气塔底组成的影响主要体现在()。
A、蒸汽用量过大
B、当胶乳中皂含量较高时,单体丁二烯、苯乙烯脱出时会产生皂液夹带,造成发泡,影响苯乙烯回收,会造成残留苯乙烯偏高
C、残留苯乙烯偏低
D、聚合转化率过低,胶乳中单体丁二烯、苯乙烯含量高,加大了回收的负荷,会造成残留苯乙烯偏高
249、多项选择题 静电产生的速率与()成正比。
A、流动速度
B、离子含量
C、物料的湍流状态
D、分界面的表面积
250、单项选择题 1#闪蒸槽分离器的压力由()来实现控制的。
A、气相出口的压力自动调节系统
B、调节各冷却器的出口温度
C、调节蒸汽的加入量
D、调整转化率
251、单项选择题 丙烯聚合生成聚丙烯,聚丙烯结构式为()。

252、单项选择题 深沟球轴承的类型代号为()。
A、1
B、2
C、3
D、6
253、单项选择题 无杂质存在时,()不发生链转移反应,粒子能长时间保存。
A、开环聚合
B、配位聚合
C、阳离子聚合
D、阴离子聚合
254、单项选择题 气体吸收速率方程式都是以气、液相浓度不变为前提的,因此适合描述稳定操作的吸收塔内()的速率关系。
A、全塔
B、塔顶
C、塔底
D、任一截面
255、单项选择题 ()为无色、易挥发的易燃液体,熔点-95℃,沸点111℃,气味与苯相似。
A、甲苯
B、对二甲苯
C、乙苯
D、苯乙烯
256、单项选择题 管道进行液压强度试验时,对于真空管道(表压)应为(),一般管路为设计压力的1.5倍。
A、0.2MPa
B、1.0MPa
C、2.0MPa
D、5.0MPa
257、单项选择题 对于负载本身()较大时,其本身就具有滤波作用。
A、电感
B、电流
C、电阻
D、电压
258、单项选择题 填料塔操作范围较小,特别是对于()的变化更为敏感。
A、气速
B、气体流量
C、液体负荷
D、压力降
259、单项选择题 在沉淀的干燥和灼烧前,必须预先准备好()。
A、烧杯
B、烧瓶
C、干燥器
D、坩埚
260、单项选择题 称取样品供测定用,容器重0.2g,要求称准至0.0002g,应选用()。
A、架盘药物天平,最大载荷100g,分度值0.1g
B、架盘药物天平,最大载荷100g,分度值0.01g单
C、精密电子天平,最大载荷2g,分度值0.01mg
D、单盘精密分析天平,最大载荷100g,分度值0.1mg
261、单项选择题 节流式流量计只使用于管道直径不小于()。
A、20mm
B、25mm
C、40mm
D、50mm
262、单项选择题 硅稳压管上的电压称为()。
A、额定电压
B、工作电压
C、保护电压
D、稳定电压
263、单项选择题 SBR-1500优级品结合苯乙烯指标是()。
A、18.5%~21.5%
B、20.5%~24.5%
C、22.5%~24.5%
D、23.5%~26.5%
264、单项选择题 安装前,对氧气管道应该使用()进行吹洗
A、不带油的压缩空气或氮气
B、带油的压缩空气
C、含水的压缩空气
D、二氧化碳气体
265、问答题 聚合产生结苯不合格的胶乳时如何处理?
266、单项选择题 按叶轮吸入方式分,离心泵可分为()。
A、单级泵和多级泵
B、低温泵和高温泵
C、单吸泵和双吸泵
D、酸泵和碱泵
267、多项选择题 蒸煮置换的注意事项是()。
A、注意温度不可升得太快
B、对于动火项目及进入作业的设备,要求用蒸汽蒸煮至可燃物合格
C、蒸汽蒸煮时,用汽量要适度
D、蒸煮期间要设专人负责看护,确保蒸煮、置换质量
268、单项选择题 压力容器定期检验,耐压实验周期为每()至少一次。
A、2年
B、3年
C、5年
D、10年
269、单项选择题 ()是无色片状晶体,有特殊的气味,容易升华。
A、萘
B、蒽
C、菲
D、萘酚
270、单项选择题 在液液萃取三角形相图中,可以看出,萃取相中溶质的浓度()原料液溶质的浓度。
A、高于
B、等于
C、小于
D、等于或小于
271、单项选择题 可以将旋转运动变成水平运动的齿轮组是()。
A、圆柱齿轮组
B、圆锥齿轮组
C、斜齿轮组
D、齿轮齿条
272、多项选择题 聚合增加负荷的调整步骤是()。
A、将氧化剂、还原剂的流量更改为增加负荷后的流量
B、将丁二烯、苯乙烯、皂液、软水、除氧剂溶液等的流量改为负荷增加后的流量
C、分子量调节剂的补加量应根据门尼进行适当调整
D、定期停车进行清理
273、问答题 机械设备的润滑作用有哪些?
274、单项选择题 丁烷有()同分异构体。
A、5种
B、4种
C、3种
D、2种
275、多项选择题 主要通过()来调节脱气塔的压力。
A、低段压缩机的调节回路控制压缩机入口的压力
B、调节各冷却器的出口温度
C、定期进行清理
D、提高聚合转化率
276、单项选择题 金属管路涂的第二层漆称之为()。
A、清漆
B、面漆
C、底漆
D、银粉漆
277、多项选择题 影响充油胶乳门尼值的因素主要有()。
A、胶乳门尼粘度
B、充油胶乳油含量
C、乳化剂纯度
D、胶乳结合苯乙烯含量
278、单项选择题 已知甲基橙、石蕊、中性红、酚酞的PH变色范围分别是3.1~4.4、5.0~8.0、6.8~8.0、8.0~10.0,利用强碱来测定硫酸浓度时,应使用()做指示剂。
A、甲基橙
B、石蕊
C、中性红
D、酚酞
279、单项选择题 对于催化反应,加入催化剂与不加催化剂相比,反应速度()。
A、增大
B、不变
C、减小
D、不确定
280、单项选择题 代号为6306的轴承内径是()。
A、6mm
B、12mm
C、30mm
D、50mm
281、单项选择题 为提高换热器的传热速率,流体流向往往选择()
A.折流
B.错流
C.逆流
D.并流
282、单项选择题 离子型聚合都为(),溶液极性大小以介电常数大小表示。
A、悬浮聚合
B、本体聚合
C、溶液聚合
D、乳液聚合
283、单项选择题 压力容器检查时间规定为六年一次的是()。
A、全面检验
B、外部检查
C、内部外检验
D、巡回检查
284、问答题 管路涂漆的顺序是什么?
285、单项选择题 380VY接的三相鼠笼异步电动机全压起动时,加在定子绕组上的电压为()。
A、380V
B、220V
C、2380V
D、2220V
286、单项选择题 交流弧焊机实际上是一台特殊的()。
A、升压变压器
B、发电机
C、电动机
D、降压变压器
287、多项选择题 在电动机控制回路中,与启动按钮并联的辅助触点称为()。
A、自锁触点
B、中间触点
C、联锁触点
D、自保持触点
288、单项选择题 苯乙烯滗析器水室的液位是采取()来实现控制的。
A、低段压缩机的调节回路控制
B、尾气排大气管线上的自动调节系统
C、加热器出口的液位调节系统
D、连续送料的方式,通过“U”管高度
289、单项选择题 ()为无色、易挥发的易燃液体,熔点5.5℃,沸点80℃,有类似汽油的特殊气味。
A、苯
B、甲苯
C、乙苯
D、苯乙烯
290、单项选择题 执行机械设备润滑的“五定规范”是:定点、定人、定期、定量和()。
A、定压
B、定油
C、定温
D、定质
291、单项选择题 B型单级悬臂式离心泵具有()两种结构。
A、酸泵和碱泵
B、单吸泵和多吸泵
C、前开式泵和后开式泵
D、低温泵和高温泵
292、单项选择题 一般的三相异步电动机绕组共有()出线端。
A、3个
B、4个
C、5个
D、6个
293、单项选择题 自动调节系统中干扰通道放大倍数越大,调节余差()。
A、不变
B、先变大后变小
C、变小
D、变大
294、多项选择题 常见的酸碱指示剂有()。
A、甲基橙
B、石蕊
C、中性红
D、酚酞
295、多项选择题 压块机压块时间不合适的调整措施有()。
A、及时消除报警
B、人工将胶扒出,并校自动秤
C、停车清设备,电气人员处理
D、定期停车进行清理
296、单项选择题 按设计压力将压力容器划分等级,压力为0.1MPa≤P<1.6MPa,应是()设备。
A、低压
B、中压
C、高压
D、超高压
297、多项选择题 当原料系统停仪表风后的停工操作是()。
A、停止进料,关闭气相排空管线底阀
B、停泵,关闭泵出入口阀门;停止滗析器的循环操作
C、严密监视贮罐温度压力变化情况并做相应处理
D、仪表风重新供应后,向聚合供料
298、单项选择题 下列各项中,()属于包装与成品库的联系内容。
A、当凝聚单元准备开车时,与干燥单元联系,通知开工时间
B、聚合单元向冷冻单元输送气氨
C、掺合将掺合合格的胶乳送往凝聚
D、通知成品库,将内外包装好,并有批号和生产日期的成品橡胶送往成品库
299、单项选择题 SBR-1778优级品结合苯乙烯指标是()。
A、23.5%~26.5%
B、22.5%~24.5%
C、20.5%~24.5%
D、18.5%~21.5%
300、多项选择题 机泵投用送电时必须具备的条件有:泵体内清理干净,并按要求装配合格,各固定螺栓无松动、防护罩完好和()。
A、所属阀门、管线、压力表等装配齐全,并达到使用标准
B、按要求加足润滑油、润滑脂
C、电机接地线符合标准,并按要求送电,进行点动检查送电正常,电机运转方面正确
D、物料合格